Kukal som do schem na RS-a a tam je to dost zlozito poriesene. Nema niekto nejake riesenie ako to urobit na TDCI? Ono to tlacitko ma fungovat len ked je kluc v polohe II a az potom nastartovat.
startovanie na tlacitko ala RS
- jamaka
- Test driver

- Příspěvky: 2509
- Registrován: 02.02.2008 03:18
- Bydliště: Slovakia
startovanie na tlacitko ala RS
Takze ma toto niekto urobene? Samozrejme nie RS-aci
Raz som to skusal pri ST-cku a celkom sa mi to zavidelo. Hlavne bola sranda ze som nevedel auto nastartovat. Otocis Klucikom a nic, a skusis znova a nic a myslis ze auto sa pokazilo, az kym nenajdes tlacitko.
Kukal som do schem na RS-a a tam je to dost zlozito poriesene. Nema niekto nejake riesenie ako to urobit na TDCI? Ono to tlacitko ma fungovat len ked je kluc v polohe II a az potom nastartovat.
Kukal som do schem na RS-a a tam je to dost zlozito poriesene. Nema niekto nejake riesenie ako to urobit na TDCI? Ono to tlacitko ma fungovat len ked je kluc v polohe II a az potom nastartovat.
3D 1,8TDCi SPORT 85kW(116PS) 2003
3D 2,0 ST170 127kW(173PS) 2002
3D 2,0 ST170 127kW(173PS) 2002
- fplisek
- Zkušený

- Příspěvky: 1254
- Registrován: 02.02.2008 03:18
- Bydliště: Ohrazenice okr. Třebíč, Brno
- Kontaktovat uživatele:
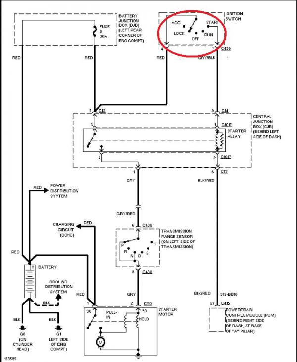
Řekl bych, že by na tom nemělo být nic složitého, projít si el. schéma a ty káblíky, které se propojují při otočení klíče do III. polohy (startování) přemostit do tlačítka a mohlo by to mít stejnou funkci 
Ford Focus 1.8 TDCi 85kW + Bluefin, K&N, IC z FoFoII, Silver, 17" Wolf, Eibach, RS nárazník, xenony, nivelace, ostřiky, ST vyhřívané sedačky, vyhřívané čelní sklo, 4x el. okna, digi klima, BC, el. šíbr, tempomat, alarm: Galerie


- Peter
- Junior

- Příspěvky: 326
- Registrován: 02.02.2008 03:18
- Bydliště: Zlate Moravce
ked prepojis kabel soznacenim RED s kontaktom START tak by to malo štartovat. (nemam odzkusane ale podla schemy to nieje nic zložite)
- Přílohy
-
- El. schema.jpg
- (50.09 KiB) Staženo 1023 x
Ford Focus r.v. 99 1.8TDDi Trend 3dv Panther black


- fplisek
- Zkušený

- Příspěvky: 1254
- Registrován: 02.02.2008 03:18
- Bydliště: Ohrazenice okr. Třebíč, Brno
- Kontaktovat uživatele:
http://www.autotuning.cz/index.php?page ... nek_id=319
článek k tomuto tématu, tlačítko je zapojeno přez relé, ale myslím, že by to fungovalo i bez něj
článek k tomuto tématu, tlačítko je zapojeno přez relé, ale myslím, že by to fungovalo i bez něj
Ford Focus 1.8 TDCi 85kW + Bluefin, K&N, IC z FoFoII, Silver, 17" Wolf, Eibach, RS nárazník, xenony, nivelace, ostřiky, ST vyhřívané sedačky, vyhřívané čelní sklo, 4x el. okna, digi klima, BC, el. šíbr, tempomat, alarm: Galerie


- Ahmed
- Test driver

- Příspěvky: 3751
- Registrován: 02.02.2008 03:18
- Bydliště: Ostrava
- misoka
- Pokročilý

- Příspěvky: 951
- Registrován: 02.02.2008 03:18
- Bydliště: Bratislava
- Kontaktovat uživatele:
Presne takto by to malo fungovat, ako pisesfplisek píše:Řekl bych, že by na tom nemělo být nic složitého, projít si el. schéma a ty káblíky, které se propojují při otočení klíče do III. polohy (startování) přemostit do tlačítka a mohlo by to mít stejnou funkci
FORD FOCUS mk 3 1.6 Ecoboost 2011
FORD FOCUS ST 2.5T (166 kw), 3/2008, ST3, snow white, STOCK
FORD FOCUS 2,1.6 TI-VCT (95.1kw), 10/2005, Ghia first edition
Ford Focus 2 kombi , 1.8 tdci (85kw) , 10/2005
Skoda Favorit 135 Sport 1990
FORD FOCUS ST 2.5T (166 kw), 3/2008, ST3, snow white, STOCK
FORD FOCUS 2,1.6 TI-VCT (95.1kw), 10/2005, Ghia first edition
Ford Focus 2 kombi , 1.8 tdci (85kw) , 10/2005
Skoda Favorit 135 Sport 1990
- fplisek
- Zkušený

- Příspěvky: 1254
- Registrován: 02.02.2008 03:18
- Bydliště: Ohrazenice okr. Třebíč, Brno
- Kontaktovat uživatele:
Takže nebudu potřebovat ani spínací relé? Tak to by bylo fajn, bych se na to mohl vrhnout už dnes, tlačítko už mámkarlik píše:Spínačka uzavírá už jen okruh na "kostru",tedy žádné proudové namáhání.Prochází tam už jen pár mA.
Ford Focus 1.8 TDCi 85kW + Bluefin, K&N, IC z FoFoII, Silver, 17" Wolf, Eibach, RS nárazník, xenony, nivelace, ostřiky, ST vyhřívané sedačky, vyhřívané čelní sklo, 4x el. okna, digi klima, BC, el. šíbr, tempomat, alarm: Galerie


- Bowie77
- Junior

- Příspěvky: 313
- Registrován: 02.02.2008 03:18
- Bydliště: Litvinov/Plzen
- Kontaktovat uživatele:
- Hurvajs
- Pokročilý

- Příspěvky: 746
- Registrován: 02.02.2008 03:18
- Bydliště: Chomutov
- fplisek
- Zkušený

- Příspěvky: 1254
- Registrován: 02.02.2008 03:18
- Bydliště: Ohrazenice okr. Třebíč, Brno
- Kontaktovat uživatele:
Tak kvůli tomuhle jsem to tlačítko odložil na neurčito, bylo by fajn to nějak vychytat
Ford Focus 1.8 TDCi 85kW + Bluefin, K&N, IC z FoFoII, Silver, 17" Wolf, Eibach, RS nárazník, xenony, nivelace, ostřiky, ST vyhřívané sedačky, vyhřívané čelní sklo, 4x el. okna, digi klima, BC, el. šíbr, tempomat, alarm: Galerie


- Stehnak
- Test driver

- Příspěvky: 2234
- Registrován: 02.02.2008 03:18
- Bydliště: Modřice@JM@CZ
2 Hurvajs: Hmmm dobra pripomika...
Metoda zpetneho inženýrství mi rika, ze bych to resil podobne jako zpozdene zapinani svetel od zvyseneho napeti kdyz uz altik dobiji. Tady bych tim zvysenym napetim "rozpojil" obvod tlacitka, ktery by asi spinalo rele... atd. Tohle by ciste teroreticky resilo aj situaci, kdy vlivem nejakeho bordelu napadaneho do tlacitka toto zustane zamacknute... No ale kdyby to zase chciplo, tak by to zase zacalo samo startovat (pokud by to tlacitko zustalo zamacknute). No co kdyz se posere dobijeni a bude davat min a tlacitko tim paden nebude blokovane... ni nic, este bych tam pridal do serie signalku otevrenych dveri. Pak by jen stacilo otevrit dvere a uz by to nestartovalo... Kde ze je ta diskuze zvana "vtipy"
ojojoj, to se nam to komplikuje.
Metoda zpetneho inženýrství mi rika, ze bych to resil podobne jako zpozdene zapinani svetel od zvyseneho napeti kdyz uz altik dobiji. Tady bych tim zvysenym napetim "rozpojil" obvod tlacitka, ktery by asi spinalo rele... atd. Tohle by ciste teroreticky resilo aj situaci, kdy vlivem nejakeho bordelu napadaneho do tlacitka toto zustane zamacknute... No ale kdyby to zase chciplo, tak by to zase zacalo samo startovat (pokud by to tlacitko zustalo zamacknute). No co kdyz se posere dobijeni a bude davat min a tlacitko tim paden nebude blokovane... ni nic, este bych tam pridal do serie signalku otevrenych dveri. Pak by jen stacilo otevrit dvere a uz by to nestartovalo... Kde ze je ta diskuze zvana "vtipy"
ojojoj, to se nam to komplikuje.
Kia Stinger 3.3 V6 T-GDI AWD 2019 / Nissan Leaf 24 -> 40 kWh 2012 / byly Ford Mondeo ST 220 2006; Ford Focus 1.6 16V 1999
Kdo je online
Uživatelé prohlížející si toto fórum: Žádní registrovaní uživatelé a 0 hostů






