EGR ventil - mondeo
-
Brehowicz
- Test driver

- Příspěvky: 4257
- Registrován: 16.12.2009 13:04
Re: EGR ventil - mondeo
Sem zvědavý jak dopadneš s tím zaslepením u tohodle typu EGR,ale kontrolka bude svíti téměř s jistotou a nakonec bych se ani nedivil kdyby tě to hodilo do nouzáku.Tohle kurvítko vypadá pěkně složitě s tou další klapkou na vzduchu,vypadá to jakoby regulovala přívod čistého vzduchu vs. množství recispalin,aby toho vzduchu nebylo nakonec dost málo.Však uvidíš a my se dovíme víc.
- lucky.jack
- Test driver

- Příspěvky: 8468
- Registrován: 12.03.2011 21:18
- Bydliště: v Hradci Královým
Re: EGR ventil - mondeo
Jj tenhle EGR je snad jeden z nejhorších a ta cena je opravdu lidová. Lidi při zjištění ceny buď kolabují nebo posílají henryho do(však víte kam).
Jo a potom ještě vodou chlazený EGR na Transitech, to je taky libůvka
Jo a potom ještě vodou chlazený EGR na Transitech, to je taky libůvka
Focus III combi, 10/2011, 1.6 Ti-VCT 105 poníků
>Galerie< - Focus II combi 10/2007 Collection(mezifacelift), 1.6 TDCi 66 kW/214Nm - chip 81kW/245Nm
>Galerie< - Focus II combi 10/2007 Collection(mezifacelift), 1.6 TDCi 66 kW/214Nm - chip 81kW/245Nm
-
vencator
- Junior

- Příspěvky: 496
- Registrován: 04.11.2010 15:51
- Bydliště: telnice
Re: EGR ventil - mondeo
tak mě dnes borec poradil at to zkusím zaslepit až u motoru a chyba by se neměla už rozsvicovat,zkoušel jste to někdo?já to zkusím zítra.
Mondeo 2.0 TDCI 96kw\2006 kombi
-
vencator
- Junior

- Příspěvky: 496
- Registrován: 04.11.2010 15:51
- Bydliště: telnice
Re: EGR ventil - mondeo
neví někdo co snímá to čidlo v tom egru?mám ten stím jedním konektorem a do něj jdou 3dráty.
Mondeo 2.0 TDCI 96kw\2006 kombi
- Vlada
- Nováček

- Příspěvky: 131
- Registrován: 02.02.2008 03:18
- Bydliště: Sokolov
- Kontaktovat uživatele:
Re: EGR ventil - mondeo
Je to čídlo na určení polohy pístku, kterej propouští výf. plyny z motoru zpět do sání.
FOCUS 1.6i 16V 74kW 1999 5-dv. GHIA RED PEPPER

Mondeo 2.0 TDCI 96KW kombi, 2004, Ghia, Tonic - nejporuchovější auto v rodině :/


Mondeo 2.0 TDCI 96KW kombi, 2004, Ghia, Tonic - nejporuchovější auto v rodině :/
-
vencator
- Junior

- Příspěvky: 496
- Registrován: 04.11.2010 15:51
- Bydliště: telnice
Re: EGR ventil - mondeo
dal jsem záslepku na druhou stranu tak uvidíme,sice to má dívnej zvuk něco jak kdyby tam byl blof of ventil.ujeto asi 12 km a zatím bez kontrolky,dám vědět jak to bude probíhat
Mondeo 2.0 TDCI 96kw\2006 kombi
-
Brehowicz
- Test driver

- Příspěvky: 4257
- Registrován: 16.12.2009 13:04
Re: EGR ventil - mondeo
Sice moc nechápu jak by to mělo pomoct tím že je to dané z druhé srany,ale aspoň to skusíš.
Rosvícení kontrolky není hned, ale trvá to než se rožne cca 30-40km,stejně dlouho to pak trvá než sama po vyndání zaslepky nebo odvrtání otvoru zhasne.Tož držím palce
Rosvícení kontrolky není hned, ale trvá to než se rožne cca 30-40km,stejně dlouho to pak trvá než sama po vyndání zaslepky nebo odvrtání otvoru zhasne.Tož držím palce
- veny
- Test driver

- Příspěvky: 2209
- Registrován: 30.03.2009 11:24
- Kontaktovat uživatele:
Re: EGR ventil - mondeo
neví někdo jaký jsou čidla a kde u Egru řízeného komplet elektrikou? 5 kabelů k němu... Popřípadě nějaký schéma by někdo nenašel??? Mě to začlo házet do nouzáku, byliká kontrolka žhavení a svítí motoru... Na diagnostice ukáže chybu egru a výfukového potrubí, přitom ale egr je po repasování, takže na 100% mechanicky v pohodě.... Někdo nějaký nápad?
-
xbobcz
- Junior

- Příspěvky: 260
- Registrován: 11.04.2011 21:16
- Bydliště: Brno
Re: EGR ventil - mondeo
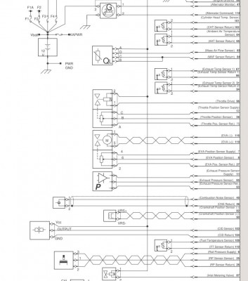
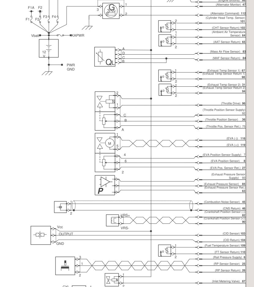
U těch elektricky ovládaných jsou 2 dráty elektromotor a 3 potenciometr snímače polohy. Na schématu je EGR označené jako EVA
Focus II 1.8 TDCi
- veny
- Test driver

- Příspěvky: 2209
- Registrován: 30.03.2009 11:24
- Kontaktovat uživatele:
Re: EGR ventil - mondeo
Aha, takže jediný co by připadalo v uvahu, že ten snímač polohy je v háji ne??? Dík za schéma, super
-
xbobcz
- Junior

- Příspěvky: 260
- Registrován: 11.04.2011 21:16
- Bydliště: Brno
Re: EGR ventil - mondeo
Predpokladam, ze to budou olamany plastovy ozubeny kolecka ktery jsou na tom motoru.
Focus II 1.8 TDCi
- veny
- Test driver

- Příspěvky: 2209
- Registrován: 30.03.2009 11:24
- Kontaktovat uživatele:
Re: EGR ventil - mondeo
nene plastový kolečka tam určitě nejsou a ani nebyli... Ale přivedl jsi mě na další myšlenku, se na to zítra zase podívám a znova ho rozeberu... snad i nafotím a něco sem hodím...
Každopádně díky moc za rady...
Každopádně díky moc za rady...
-
vencator
- Junior

- Příspěvky: 496
- Registrován: 04.11.2010 15:51
- Bydliště: telnice
Re: EGR ventil - mondeo
brehowic:kámoš co má fokusa nemá čidlo ale když zaslepil podtlak rožla se chyba,zaslepil to hned u motoru a vše ok,ale je to jinej motor.
ale když sem se ptal borca že mě svítí ta chyba jestli to nepůjde odstranit,tak hned kde to mám zaslepený a at to dám na druhou stranu.uvidíme,dnes jedu do brna tak najedu těch 30km,doufám že se nerozsvítí,jen nechápu ten zvuk co mě to dělá,vše sem zkontroloval a vše utěsněno.jak přidám nad dva 2000ot tak jak pustím plyn tak to jaksy zakňučí,snad to nebude další zaváda.
ale když sem se ptal borca že mě svítí ta chyba jestli to nepůjde odstranit,tak hned kde to mám zaslepený a at to dám na druhou stranu.uvidíme,dnes jedu do brna tak najedu těch 30km,doufám že se nerozsvítí,jen nechápu ten zvuk co mě to dělá,vše sem zkontroloval a vše utěsněno.jak přidám nad dva 2000ot tak jak pustím plyn tak to jaksy zakňučí,snad to nebude další zaváda.
Mondeo 2.0 TDCI 96kw\2006 kombi
- veny
- Test driver

- Příspěvky: 2209
- Registrován: 30.03.2009 11:24
- Kontaktovat uživatele:
Re: EGR ventil - mondeo
Podle mě to může být způsobeno jiným prouděním výfukových zplodin a třeba jejich zpětnému vracení do motoru... Pokud je záslepka před čidlem, tak by se to nemuselo rozsvítit, hlásí to "čistý vzduch" jak před egrem tak za ním, tak by to nemuselo vyhazovat chybu... Ale to je jenom laický pohled.
Jinak k těm potenciometrům... Asi ten snímač bude na ose elektormotoru, takže tam nic neuvidím... Předpokládám... Ani s tím nic nepůjde udělat za předpokladu že to špatně vyhodnocuje... Takže jedině ho celý vyměnit ne?
Jinak k těm potenciometrům... Asi ten snímač bude na ose elektormotoru, takže tam nic neuvidím... Předpokládám... Ani s tím nic nepůjde udělat za předpokladu že to špatně vyhodnocuje... Takže jedině ho celý vyměnit ne?
-
vencator
- Junior

- Příspěvky: 496
- Registrován: 04.11.2010 15:51
- Bydliště: telnice
Re: EGR ventil - mondeo
tak to nefunguje,už se mi to rozsvítilo.takže to prostě někde snímá nebo to prostě motor pozná že tam ty spaliny nejdou jediná možnost to předělat v řj a na to jsem nikoho nesehnal.zajímalo by mě kde to zjistí že tam ty spaliny nejdou,
Mondeo 2.0 TDCI 96kw\2006 kombi
Kdo je online
Uživatelé prohlížející si toto fórum: Žádní registrovaní uživatelé a 2 hosti

