Máš tam hliníkový filtr a nahoru musíš mít přivedený kabel. To je předehřev.vladko píše:Ale vždyť jsem psal, že ho vyměním.
Filtr má předehřev, bohužel na mém autě jsem nenašel kabel na jeho připojení. Nedodělávali jste si to někdo?
http://www.ford-focus.cz/forum/viewtopi ... 77#p955977
Výměna pal. filtru a oleje
- lucky.jack
- Test driver

- Příspěvky: 8464
- Registrován: 12.03.2011 21:18
- Bydliště: v Hradci Královým
Re: Palivový filtr u 1.6 TDCi.
Focus III combi, 10/2011, 1.6 Ti-VCT 105 poníků
>Galerie< - Focus II combi 10/2007 Collection(mezifacelift), 1.6 TDCi 66 kW/214Nm - chip 81kW/245Nm
>Galerie< - Focus II combi 10/2007 Collection(mezifacelift), 1.6 TDCi 66 kW/214Nm - chip 81kW/245Nm
-
polki11
- Nováček

- Příspěvky: 43
- Registrován: 03.10.2012 21:11
- Bydliště: Opava
Re: Palivový filtr u 1.6 TDCi.
Jen pro jistotu pro 1.6 tdci 66kw http://www.autodily-cardo.cz/filtry-2/p ... -wk939-13/
FOFO 1,6 66kw tdci 2009
- lucky.jack
- Test driver

- Příspěvky: 8464
- Registrován: 12.03.2011 21:18
- Bydliště: v Hradci Královým
Re: Palivový filtr u 1.6 TDCi.
Těžko soudit, ty musíš vědět jestli tam máš zrovna tenhle a ne ten černej plasťák.
Focus III combi, 10/2011, 1.6 Ti-VCT 105 poníků
>Galerie< - Focus II combi 10/2007 Collection(mezifacelift), 1.6 TDCi 66 kW/214Nm - chip 81kW/245Nm
>Galerie< - Focus II combi 10/2007 Collection(mezifacelift), 1.6 TDCi 66 kW/214Nm - chip 81kW/245Nm
-
polki11
- Nováček

- Příspěvky: 43
- Registrován: 03.10.2012 21:11
- Bydliště: Opava
- lucky.jack
- Test driver

- Příspěvky: 8464
- Registrován: 12.03.2011 21:18
- Bydliště: v Hradci Královým
Re: Palivový filtr u 1.6 TDCi.
jo
Focus III combi, 10/2011, 1.6 Ti-VCT 105 poníků
>Galerie< - Focus II combi 10/2007 Collection(mezifacelift), 1.6 TDCi 66 kW/214Nm - chip 81kW/245Nm
>Galerie< - Focus II combi 10/2007 Collection(mezifacelift), 1.6 TDCi 66 kW/214Nm - chip 81kW/245Nm
-
polki11
- Nováček

- Příspěvky: 43
- Registrován: 03.10.2012 21:11
- Bydliště: Opava
-
horsik
- Nováček

- Příspěvky: 2
- Registrován: 16.11.2014 12:58
Výměna pal. filtru a oleje
Ahoj lidi jsem čerstvým majitelem Focusu. Poradíte mi s výměnou pal. filtru a oleje s filtrem? Kde oboje najdu? Na co dát pozor? Hrozí zavzdušnění? Všude jsem našel jen 1.6 TDCI, ale já mám dvoulitr....
Měl jsem feldu a oktávku a tam jsem to řešil sám. Nechci do servisu
Díky!!!
Měl jsem feldu a oktávku a tam jsem to řešil sám. Nechci do servisu
Díky!!!
- lucky.jack
- Test driver

- Příspěvky: 8464
- Registrován: 12.03.2011 21:18
- Bydliště: v Hradci Královým
Re: Výměna pal. filtru a oleje 2.0 TDCI focus?
Doporučená literatura
http://navody.ford-focus.cz/Ford_Focus_ ... Etzold.pdf
O odvzdušňování, výměnách olejů apod. je tu toho taky dost.
BTW není vhodné diskutovat v jednom tématu několik různých problémů!
http://www.ford-focus.cz/forum/viewtopic.php?f=9&t=5348
O odvzdušňování, výměnách olejů apod. je tu toho taky dost.
BTW není vhodné diskutovat v jednom tématu několik různých problémů!
Focus III combi, 10/2011, 1.6 Ti-VCT 105 poníků
>Galerie< - Focus II combi 10/2007 Collection(mezifacelift), 1.6 TDCi 66 kW/214Nm - chip 81kW/245Nm
>Galerie< - Focus II combi 10/2007 Collection(mezifacelift), 1.6 TDCi 66 kW/214Nm - chip 81kW/245Nm
- Marod22
- Pokročilý

- Příspěvky: 844
- Registrován: 09.05.2012 08:19
- Bydliště: Bratislava
Re: Palivový filtr u 1.6 TDCi.
Chalani, výmena paliváku je závislá čisto na nájazde, alebo aj veku? Nie som si istý, či aj palivák vekom degraduje.
- Jardak
- Test driver

- Příspěvky: 2711
- Registrován: 10.01.2010 10:52
- Bydliště: Kaznějov
Re: Palivový filtr u 1.6 TDCi.
Je tam i časovej interval. Při kvalitě naší nafty je vhodná výměna 30tkm, při menším nájezdu jednou ročně.
je: Rapid 1,6 TDI 85 kW 2015, Fabia kombi 1,4 TDI 70 kW 2008
byl: Focus kombi 1,8 TDCi 74 kW 2002,
byl: Focus kombi 1,8 TDCi 74 kW 2002,
- Marod22
- Pokročilý

- Příspěvky: 844
- Registrován: 09.05.2012 08:19
- Bydliště: Bratislava
Re: Palivový filtr u 1.6 TDCi.
Fakt ročne? U mňa je tých 30k za dva roky, myslel som, že dva roky vydrží.
- Jardak
- Test driver

- Příspěvky: 2711
- Registrován: 10.01.2010 10:52
- Bydliště: Kaznějov
Re: Palivový filtr u 1.6 TDCi.
Píšu že je vhodná, předepsanej interval je určitě větší.
je: Rapid 1,6 TDI 85 kW 2015, Fabia kombi 1,4 TDI 70 kW 2008
byl: Focus kombi 1,8 TDCi 74 kW 2002,
byl: Focus kombi 1,8 TDCi 74 kW 2002,
- lucky.jack
- Test driver

- Příspěvky: 8464
- Registrován: 12.03.2011 21:18
- Bydliště: v Hradci Královým
Re: Palivový filtr u 1.6 TDCi.
Interval je 60000km.
Focus III combi, 10/2011, 1.6 Ti-VCT 105 poníků
>Galerie< - Focus II combi 10/2007 Collection(mezifacelift), 1.6 TDCi 66 kW/214Nm - chip 81kW/245Nm
>Galerie< - Focus II combi 10/2007 Collection(mezifacelift), 1.6 TDCi 66 kW/214Nm - chip 81kW/245Nm
- kiblik
- Pokročilý

- Příspěvky: 540
- Registrován: 01.05.2012 14:57
- Bydliště: CR
Re: Palivový filtr u 1.6 TDCi.
Kdyz beres naftu trochu lepsi bezinky, kde to nestoji pul roku v nadrzich, tak vydrzi i 70 000km ale to uz pak prestava spravne propoustet. Dvakrat otestovano. Jednou vydrzel 68tis podruhe 62tis a uz sem ho radsi nechal vymenit preventivne.
KIBLIK007
Mozna Mondeo MK4
Je:HUBERT FordFocusCombi 1.6TDCi100kW(chip), noDPF,noEGR, r.v.2007,najeto 322tis km,5.5/100km...... jede i bez turba
Je:STRIBRNAK ŠkodaOctavia 1.6MPi75kW,r.v.2009,najeto235tis km,7.0l/100km
Mozna Mondeo MK4
Je:HUBERT FordFocusCombi 1.6TDCi100kW(chip), noDPF,noEGR, r.v.2007,najeto 322tis km,5.5/100km...... jede i bez turba
Je:STRIBRNAK ŠkodaOctavia 1.6MPi75kW,r.v.2009,najeto235tis km,7.0l/100km
-
xfredx
- Nováček

- Příspěvky: 2
- Registrován: 16.06.2014 19:45
Re: Palivový filtr u 1.6 TDCi.
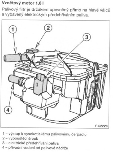
Ahoj, prosím o radu mám 1.6tdci 66kw rok 2005. Palivový filtr mám ten černý plastový s předehřevem. Na novém filtru ale předehřev není a má jinou koncovku. Nevíte, kde by se dal sehnat filtr i s předehřevem? (viz obrázek). Díky
Kdo je online
Uživatelé prohlížející si toto fórum: Žádní registrovaní uživatelé a 1 host

