Tempomat
- Ondrej1
- Junior

- Příspěvky: 276
- Registrován: 08.02.2010 11:27
- Bydliště: Praha
Re: Tempomat
Mě by spíš zajímalo, zda tempomat deaktivuje aktivace/zásah ESP.
Zatím jsem neměl odvahu to na nějakém nevhodném povrchu (sníh, déšť) vyzkoušet.
Zatím jsem neměl odvahu to na nějakém nevhodném povrchu (sníh, déšť) vyzkoušet.
- Anduril
- Test driver

- Příspěvky: 5096
- Registrován: 07.11.2009 16:56
- Bydliště: Ostrava
Re: Tempomat
Ano, deaktivuje. Alespon u FF3.
-
y2000rtc
- Nováček

- Příspěvky: 29
- Registrován: 04.10.2014 21:01
Re: Tempomat
Zdravím příznivci Fordu Focus.
Mám FF II, rok 2010 combi, 1,6 TDCi 66 kW moondust
sehnal jsem si upravené pádlo s tlačítky pro tempomat, aktivoval v jednotce tempomat, ale
za boha nevím, kam mám zapojit v autě ty dva vodiče z okruhu tlačítek pro tempomat.
Poraďte prosím.
Díky moc.
Mám FF II, rok 2010 combi, 1,6 TDCi 66 kW moondust
sehnal jsem si upravené pádlo s tlačítky pro tempomat, aktivoval v jednotce tempomat, ale
za boha nevím, kam mám zapojit v autě ty dva vodiče z okruhu tlačítek pro tempomat.
Poraďte prosím.
Díky moc.
- fotopetr
- Člen klubu

- Příspěvky: 260
- Registrován: 30.08.2014 00:19
- Bydliště: Poříčany
Re: Tempomat
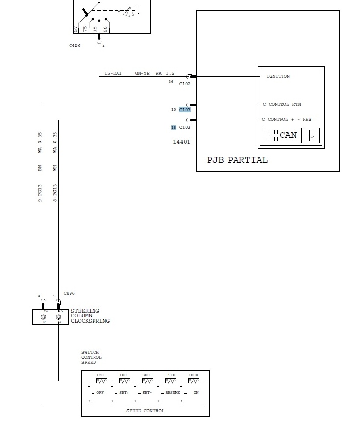
Pod volantem je konektor a pak dál to pokračuje do GEMu na C103 10 a 18, viz schema
Ford Focus II Combi, 1,8TDCI, 85kW, r.v.2008
-
y2000rtc
- Nováček

- Příspěvky: 29
- Registrován: 04.10.2014 21:01
Re: Tempomat
Díky moc.
Pokud tedy nenajdu pod volantem konektor, tak můžu natáhnout vodiče přímo do GEMu?
(konektor tam nejspíš nemám nebo nevím, jak by měl vypadat - Ford servis taky nevěděl)
Jak a kde je ten konektor prosím?
Díky ještě jednou
Pokud tedy nenajdu pod volantem konektor, tak můžu natáhnout vodiče přímo do GEMu?
(konektor tam nejspíš nemám nebo nevím, jak by měl vypadat - Ford servis taky nevěděl)
Jak a kde je ten konektor prosím?
Díky ještě jednou
- fotopetr
- Člen klubu

- Příspěvky: 260
- Registrován: 30.08.2014 00:19
- Bydliště: Poříčany
Re: Tempomat
Konektor tam asi bude 
Na obrázku je dobře vidět. Můžeš to dát rovnou do GEMu, ale musíš to vymyslet tak, aby jsi při točení volantem ty dráty neukroutil
Na obrázku je dobře vidět. Můžeš to dát rovnou do GEMu, ale musíš to vymyslet tak, aby jsi při točení volantem ty dráty neukroutil
Ford Focus II Combi, 1,8TDCI, 85kW, r.v.2008
-
y2000rtc
- Nováček

- Příspěvky: 29
- Registrován: 04.10.2014 21:01
Re: Tempomat
Tak to by byl mazec sundat volant. 
Jelikož to mám na pádle od audia, tak bych to natáhl pod krytem volantu.
Co si o tom myslíš? Má smysl se prdět se sundáním volantu nebo je snažší to natáhnout
zrovna do GEMu a nebo se napojit na vodiče od volantu co vedou do GEMu.
Co dává větší smysl?
Jelikož to mám na pádle od audia, tak bych to natáhl pod krytem volantu.
Co si o tom myslíš? Má smysl se prdět se sundáním volantu nebo je snažší to natáhnout
zrovna do GEMu a nebo se napojit na vodiče od volantu co vedou do GEMu.
Co dává větší smysl?
- Karel2
- Test driver

- Příspěvky: 6909
- Registrován: 10.09.2011 09:51
- Bydliště: Přerov
Re: Tempomat
Napojit se na kabel. svazek pod volantem, nekde tu je i ktery dva draty to jsou.
Ford Focus III ST-Line, 1.5, 110kW, Red and Black ed. (r.v. 17)
byl: Ford Focus 1.6 16V 74kW+ 7/2011 Hatchback
byl: Ford Escort 1.8TD 51kW 10/1996 Hatchback
Galerie
byl: Ford Focus 1.6 16V 74kW+ 7/2011 Hatchback
byl: Ford Escort 1.8TD 51kW 10/1996 Hatchback
Galerie
-
y2000rtc
- Nováček

- Příspěvky: 29
- Registrován: 04.10.2014 21:01
Re: Tempomat
Tak to si počtu, než jsem sem napsal, tak jsem přečetl asi 20 stránek.
Kouknu kde může být.
Dík
Kouknu kde může být.
Dík
- ZaQik
- Admin

- Příspěvky: 25106
- Registrován: 30.05.2010 17:33
- Bydliště: exit 82 na D0
Re: Tempomat
pod volantem po odendani spodniho krytu volantove tyce je skoro nahore cerny konektor - na 6 pozic a osazeno je jich 5; pozice 4 a 5 jsou pro tempomat (bily a hnedy drat)
Ford Focus mk3 combi 1.6 Ti-VCT, r.v.2018 + Ford Fiesta mk7 3D 1.25, r.v.2014
byl Ford Focus mk2 combi 1.6, r.v.2009 + Ford Fiesta mk6 1.4 TDCi r.v. 2004
Nejsem poradna, encyklopedie ani hotline spolecnosti Ford - ptejte se na foru, od toho je.
byl Ford Focus mk2 combi 1.6, r.v.2009 + Ford Fiesta mk6 1.4 TDCi r.v. 2004
Nejsem poradna, encyklopedie ani hotline spolecnosti Ford - ptejte se na foru, od toho je.
- jirkaj
- Člen klubu

- Příspěvky: 882
- Registrován: 28.04.2013 20:47
- Bydliště: Vsetín
-
y2000rtc
- Nováček

- Příspěvky: 29
- Registrován: 04.10.2014 21:01
Re: Tempomat
Zdar lidi, obrazky jsem taky nasel na te strance.
Opravdu jsem si to radeji procetl, nez abych se ptal na to same.
Takze, vse zapojeno a dobre. Ale nefunguje, protoze jsem tutove zapomnel
neco v SW zaskrtnout. Coz me sejri. :[
Kluci, co vse je potreba zaskrtnout v ELMconfig SW? At to nedelam
nekolikrat.
Jinak diky chlapi. Kdybych vam mohl nejak pomoci, tak to udelam.
Mam praxi v programovani. Programuji ridici systemy pro nakladni vozy, kompletne.
Napr. ceske lokomotivy, trolejbusy,... Coz se tady asi nehodi.
Jeste jednou diky.
Zdenek
Opravdu jsem si to radeji procetl, nez abych se ptal na to same.
Takze, vse zapojeno a dobre. Ale nefunguje, protoze jsem tutove zapomnel
neco v SW zaskrtnout. Coz me sejri. :[
Kluci, co vse je potreba zaskrtnout v ELMconfig SW? At to nedelam
nekolikrat.
Jinak diky chlapi. Kdybych vam mohl nejak pomoci, tak to udelam.
Mam praxi v programovani. Programuji ridici systemy pro nakladni vozy, kompletne.
Napr. ceske lokomotivy, trolejbusy,... Coz se tady asi nehodi.
Jeste jednou diky.
Zdenek
- fotopetr
- Člen klubu

- Příspěvky: 260
- Registrován: 30.08.2014 00:19
- Bydliště: Poříčany
Re: Tempomat
GEM - Cruise Control Configuration
HEC - Cruise Control Configuration
PCM - Integrated Speed Control (ABS via Can)
HEC - Cruise Control Configuration
PCM - Integrated Speed Control (ABS via Can)
Ford Focus II Combi, 1,8TDCI, 85kW, r.v.2008
-
y2000rtc
- Nováček

- Příspěvky: 29
- Registrován: 04.10.2014 21:01
Re: Tempomat
Takže zdar ještě jednou.
Tempomat funguje skvěle. Tudíž díky moc za podporu.
Je to vlastně jednoduché.
tempomat na Focuse =
- zapojení odporů s výstupem dvou vodičů (viz schéma) - není co řešit
- zapojení dvou vodičů do jednotky ať přes volant nebo přes konektor a nebo rovnou na jednotku
(tady jsem narazil, protože jsem nevěděl přesně který konektor a který vodič)
- aktivace přes ELMconfig od civil-zz a to:
GEM - Cruise Control Configuration
HEC - Cruise Control Configuration
PCM - Integrated Speed Control (ABS via Can)
That's all.
Bezva. Ještě jednou díky lidi.
Zdeněk
Tempomat funguje skvěle. Tudíž díky moc za podporu.
Je to vlastně jednoduché.
tempomat na Focuse =
- zapojení odporů s výstupem dvou vodičů (viz schéma) - není co řešit
- zapojení dvou vodičů do jednotky ať přes volant nebo přes konektor a nebo rovnou na jednotku
(tady jsem narazil, protože jsem nevěděl přesně který konektor a který vodič)
- aktivace přes ELMconfig od civil-zz a to:
GEM - Cruise Control Configuration
HEC - Cruise Control Configuration
PCM - Integrated Speed Control (ABS via Can)
That's all.
Bezva. Ještě jednou díky lidi.
Zdeněk
- TomFocus
- Test driver

- Příspěvky: 8239
- Registrován: 12.05.2013 17:06
- Bydliště: Praha
Re: Tempomat
Mám dotaz (ZaQ).
Přestěhoval jsem tempomat do popelníku
(už dávno)
A nedávno jsem zjistil, že tlačítka nejsou podsvícená.. Ani nevím jestli na volantu jsou podsvícená, v popelníku by se to hodilo
Přestěhoval jsem tempomat do popelníku
A nedávno jsem zjistil, že tlačítka nejsou podsvícená.. Ani nevím jestli na volantu jsou podsvícená, v popelníku by se to hodilo
Kdo je online
Uživatelé prohlížející si toto fórum: Žádní registrovaní uživatelé a 0 hostů




