dodatočná montáž vyhrievania sedadiel
- Yeshterr
- Test driver

- Příspěvky: 3774
- Registrován: 11.04.2011 08:37
- Bydliště: Já su z Práglu
Re: dodatočná montáž vyhrievania sedadiel
Na vrakáči v Záběhlicích je mají, ale prodávají je jedině se sedačkama. Za dvě špinavý přední sedačky chtějí snad trojku...a myslím, že už je maj očesaný od motorků, jsou v nich jen bagy a dečky.

Mondeo f gombíku f DŽÍJE 2.0, r.v. 05, benál 107kW, blue Deep Navy, LPG AC Stag 300-4 Plus,
Limited edition GHIA MÍNUS
- Dr.Romca
- .

- Příspěvky: 7107
- Registrován: 27.06.2011 15:06
- Bydliště: Praha
- Kontaktovat uživatele:
Re: dodatočná montáž vyhrievania sedadiel
No tak pro porovnání, já koupil samotný dečky s čudlíkem za 2000Kč, takže bych to neviděl tak černě... Chlápek nabízel za 400Kč i kabeláž, ale tu jsem měl...
- supetr
- Nováček

- Příspěvky: 159
- Registrován: 09.02.2012 15:49
- Bydliště: Jablonec n/N
Re: dodatočná montáž vyhrievania sedadiel
No ja prave mam dve na prodej, tak abych vedel, kolik si za ne tak rict.. Menil jsem svy vyhrivany latkovy za ventilovany v kuzi, tak mam ted ty stary ve sklepe..
-
Brehowicz
- Test driver

- Příspěvky: 4257
- Registrován: 16.12.2009 13:04
Re: dodatočná montáž vyhrievania sedadiel
Možná to bude někoho zajímat,tahle vypadá prostředek te tajemné černé krabičky z dečky po fc-z jedné a druhé strany.
- Bartas
- Nováček

- Příspěvky: 31
- Registrován: 02.02.2008 03:18
- Bydliště: Králův Dvůr
Re: dodatočná montáž vyhrievania sedadiel
Hm, microchip
V tlačítkách je taky jeden. Takže komunikace mezi tím je zřejmě nějaká datová. Ale na konci je 80-ti ampérovej MOSFET, takže si stějně myslím, že je změna topného výkonu deček řešena pulzně šířkovou modulací. Už jsem to chtěl jednou zkoušet, ale ,sakra, není čas 
Mondeo III, 2.0 TDCI Ghia 96 kW, 2007, hatchback, Blue Ambition
-
Brehowicz
- Test driver

- Příspěvky: 4257
- Registrován: 16.12.2009 13:04
Re: dodatočná montáž vyhrievania sedadiel
Ano regulace vykonu je pulzní,z ovladacích tlačítej jde do deček pouze ovladací signál,silovina je jak sem předpokládal nedávno ,přivedena z pojisky do dek zvlášť-ověřeno ze zapojováni zadního vyhřevu.
- Bartas
- Nováček

- Příspěvky: 31
- Registrován: 02.02.2008 03:18
- Bydliště: Králův Dvůr
Re: dodatočná montáž vyhrievania sedadiel
A nemáš možnost nějak změřit co po tom řídícím (bílém) drátu leze (tvar signálu, frekvenci, ...) ? Ve spínačí je zřejmě nějaká mutace elktronického potenciometru a pod sedačkoou samotná PWM, takže zjistit, co si ty dvě krabičky mezi sebou posílají, by mohlo nastínit další směr.
Podle schématu je silová část zelenej od plusu za relátkem do krabičky a pak červenej z krabičky do výhřevu sedáku seriově s výhřevem opěradla a zpět do krabičky černej. Bílej by měl jít od spínačů, černý s proužkama by měly být k termistoru.
Podle schématu je silová část zelenej od plusu za relátkem do krabičky a pak červenej z krabičky do výhřevu sedáku seriově s výhřevem opěradla a zpět do krabičky černej. Bílej by měl jít od spínačů, černý s proužkama by měly být k termistoru.
Mondeo III, 2.0 TDCI Ghia 96 kW, 2007, hatchback, Blue Ambition
-
Brehowicz
- Test driver

- Příspěvky: 4257
- Registrován: 16.12.2009 13:04
Re: dodatočná montáž vyhrievania sedadiel
Osciloskop doma bohužel nemám a že by se občas i přidal
Jinak k tomu co sem se dopatral vlastním zapojením je to že silový kabel je přivedeny od pojiskovky do každého sedadla a ovladaci bíly z přepinače je jen jeden! pro oba sedadla.
Jinak k tomu co sem se dopatral vlastním zapojením je to že silový kabel je přivedeny od pojiskovky do každého sedadla a ovladaci bíly z přepinače je jen jeden! pro oba sedadla.
- Dr.Romca
- .

- Příspěvky: 7107
- Registrován: 27.06.2011 15:06
- Bydliště: Praha
- Kontaktovat uživatele:
Re: dodatočná montáž vyhrievania sedadiel
To je jednoduchý, bude to vysílat adresu sedadla a požadovanou hodnotu úrovně, buď nějak can busově, nebo to bude nějaká sériovka...takhle v autě komunikuje kdeco, třeba okýnka, pokud jsou všechny v elektrice a tak...
Mimochodem i do tý 512 bitový verze, která je osazená, se dá napsat ořezanej UART, takže na komunikaci místa dosti
Mimochodem i do tý 512 bitový verze, která je osazená, se dá napsat ořezanej UART, takže na komunikaci místa dosti
-
Brehowicz
- Test driver

- Příspěvky: 4257
- Registrován: 16.12.2009 13:04
Re: dodatočná montáž vyhrievania sedadiel
Snad to někomu pomuže tad ysem udělal takovou skicu jak sem zapojil zadní výhřev já.
Kudy kabely natáhnout je na fantazii každého
Kudy kabely natáhnout je na fantazii každého
- vandal46
- Junior

- Příspěvky: 446
- Registrován: 17.10.2009 06:09
- Bydliště: Čeladná
Re: dodatočná montáž vyhrievania sedadiel
Zdar všem,
Tiež zvažujem že upgradujem Mondeo o vyhrievane sedačky .. chcem sa Vás ale spýtať, či som to správne pochopil, toto je fotka kabeláže čo smeruje k sedačke:
Znamená toto že mám kabeláž pripravenú a potrebujem už "iba" doplniť dečky, prepínače a ten plastový rámeček na prepínače?
Jo a ešte ma napadlo, tie dečky čo tu boli na fotkách, to je jediná verzia používaných dečiek? To potom znamená že boky sedačiek nie sú vyhrievané ... nevadí vam to? Nie je to nepríjemné že kraje zostávajú studené ??
Díky
Tiež zvažujem že upgradujem Mondeo o vyhrievane sedačky .. chcem sa Vás ale spýtať, či som to správne pochopil, toto je fotka kabeláže čo smeruje k sedačke:
Znamená toto že mám kabeláž pripravenú a potrebujem už "iba" doplniť dečky, prepínače a ten plastový rámeček na prepínače?
Jo a ešte ma napadlo, tie dečky čo tu boli na fotkách, to je jediná verzia používaných dečiek? To potom znamená že boky sedačiek nie sú vyhrievané ... nevadí vam to? Nie je to nepríjemné že kraje zostávajú studené ??
Díky
Hyundai i30 kombi 1.4T-Gdi , 2018
Ford Mondeo kombi Ghia 2.0 TDCi , 2005 , 96kW/130k
Ford Mondeo kombi Ghia 2.0 TDCi , 2005 , 96kW/130k
- Dr.Romca
- .

- Příspěvky: 7107
- Registrován: 27.06.2011 15:06
- Bydliště: Praha
- Kontaktovat uživatele:
Re: dodatočná montáž vyhrievania sedadiel
Boky vyhřívané nejsou, ale nijak to nevadí.
Jinak konektory jsou zapojené takhle (převzato talkford.com): Kdybys chtěl, mám ovladač pro Mk3
A koukni se taky, jestli máš přípravu až do "přihrádky"
Přípravu do sedaček máš
Jinak konektory jsou zapojené takhle (převzato talkford.com): Kdybys chtěl, mám ovladač pro Mk3
Přípravu do sedaček máš
- vandal46
- Junior

- Příspěvky: 446
- Registrován: 17.10.2009 06:09
- Bydliště: Čeladná
Re: dodatočná montáž vyhrievania sedadiel
Super takže káble tam sú ... ešte mrknem do tej příhradky ... to treba celé rozrobiť aby som skontroloval ten kabel? Jako vytiahnúť rádio a tak? Alebo stačí nejaký menší zásah?
Díky
Díky
Hyundai i30 kombi 1.4T-Gdi , 2018
Ford Mondeo kombi Ghia 2.0 TDCi , 2005 , 96kW/130k
Ford Mondeo kombi Ghia 2.0 TDCi , 2005 , 96kW/130k
- Dr.Romca
- .

- Příspěvky: 7107
- Registrován: 27.06.2011 15:06
- Bydliště: Praha
- Kontaktovat uživatele:
Re: dodatočná montáž vyhrievania sedadiel
Dr.Romčův infopost o výhřevu sedaček v Mondeu Mk3:
Dovolím si shrnout obsah dvou vláken, teď se mě na to lidi dost ptaj a je to tu rozházený...
Pokud chcete výhřev sedaček, je třeba rozdělit, jeslti předFL, nebo poFL.
PředFL jsou dečky jen zapnuté / vypnuté, poFL mají 5ti stupňovou regulaci.
Máte přípravu?
PředFL a poFL konektory sedaček vypadají stejně: Jde vám o začtverečkované pozice, modrý a zelený konektor deček.
Zapojení je takhle (předFL/poFL): Pakliže máte tohle natahané, je téměř 100%, že budete mít i konektor/konektory na ovladače vpředu.
Ovladače vypadají takhle:
PředFL / PoFL
Konektory vypadají takhle:
PředFL / PoFL
Na místě ovladačů máte pravděpodobně úžasnou přihrádku, pokud tedy budete chtít montovat ovladače jako jsou origo, budete potřebovat mezikus, který je zase jiný:
Srovnání předFL a poFL
FINIS kódy u fordu jsou:
PředFL: 1117618, cena 78,- Kč s daní
PoFL: 1303004, cena 510,- Kč s daní
Takhle vypadají dečky poFL, předFL asi budou mít jinou řídící jednotku...
Dečky poFL
Tady Návod, jak rozebrat sedačky pro montáž deček:
Montáž á la Rumcajs1
Zadní konektory (příprava) pro výhřev dozadu a dečky vypadaj takhle:
Příprava Vzadu
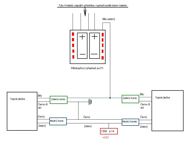
Tady schémátko, jak se dají zadní dečky zapojit, pokud přípravu nemáte:
Schéma zadních výhřevů á la Břeh
Zadní dečky z Mondea Mk3 vypadají takhle:
Zadní dečky
Originál výhřev vzado poFL vypadá takhle: Neoriginál pak o něco lépe:
PředFL á la davemomo / PoFL á la Břeh
Pokud přípravu nemáte, budete muset sehnat konektory a kabely, doporučuju sehnat komplet kabelové svazky z vrakáče, tenkrát to ford ještě dělal pořádně a Titánka měla přípravu vždycky
pozn.: fotky jsou záměrně formou odkazů, abyste náležitě ocenili autory...které nejsou, jsou převzaté! Břehu, dej to, prosím, někam dopředu, ať to lidi nemusí hledat
Dovolím si shrnout obsah dvou vláken, teď se mě na to lidi dost ptaj a je to tu rozházený...
Pokud chcete výhřev sedaček, je třeba rozdělit, jeslti předFL, nebo poFL.
PředFL jsou dečky jen zapnuté / vypnuté, poFL mají 5ti stupňovou regulaci.
Máte přípravu?
PředFL a poFL konektory sedaček vypadají stejně: Jde vám o začtverečkované pozice, modrý a zelený konektor deček.
Zapojení je takhle (předFL/poFL): Pakliže máte tohle natahané, je téměř 100%, že budete mít i konektor/konektory na ovladače vpředu.
Ovladače vypadají takhle:
PředFL / PoFL
Konektory vypadají takhle:
PředFL / PoFL
Na místě ovladačů máte pravděpodobně úžasnou přihrádku, pokud tedy budete chtít montovat ovladače jako jsou origo, budete potřebovat mezikus, který je zase jiný:
Srovnání předFL a poFL
FINIS kódy u fordu jsou:
PředFL: 1117618, cena 78,- Kč s daní
PoFL: 1303004, cena 510,- Kč s daní
Takhle vypadají dečky poFL, předFL asi budou mít jinou řídící jednotku...
Dečky poFL
Tady Návod, jak rozebrat sedačky pro montáž deček:
Montáž á la Rumcajs1
Zadní konektory (příprava) pro výhřev dozadu a dečky vypadaj takhle:
Příprava Vzadu
Tady schémátko, jak se dají zadní dečky zapojit, pokud přípravu nemáte:
Schéma zadních výhřevů á la Břeh
Zadní dečky z Mondea Mk3 vypadají takhle:
Zadní dečky
Originál výhřev vzado poFL vypadá takhle: Neoriginál pak o něco lépe:
PředFL á la davemomo / PoFL á la Břeh
Pokud přípravu nemáte, budete muset sehnat konektory a kabely, doporučuju sehnat komplet kabelové svazky z vrakáče, tenkrát to ford ještě dělal pořádně a Titánka měla přípravu vždycky
pozn.: fotky jsou záměrně formou odkazů, abyste náležitě ocenili autory...které nejsou, jsou převzaté! Břehu, dej to, prosím, někam dopředu, ať to lidi nemusí hledat
- vandal46
- Junior

- Příspěvky: 446
- Registrován: 17.10.2009 06:09
- Bydliště: Čeladná
Re: dodatočná montáž vyhrievania sedadiel
Tak moc pekný prehlad si spravil 
Hyundai i30 kombi 1.4T-Gdi , 2018
Ford Mondeo kombi Ghia 2.0 TDCi , 2005 , 96kW/130k
Ford Mondeo kombi Ghia 2.0 TDCi , 2005 , 96kW/130k
Kdo je online
Uživatelé prohlížející si toto fórum: Žádní registrovaní uživatelé a 1 host

