Alternátor
-
Míra
- Nováček

- Příspěvky: 92
- Registrován: 30.06.2008 13:55
- Bydliště: České Budějovice
Re: Alternátor
Napadá mě, že při takto zvýšeném napětí by možná mohl počítač dostávat falešné informace od čidel - těch, která fungují napěťově, či odporově.
Jinak jsem další do rodiny padlých alternátorů, včera se odporoučel a nejlepší na tom bylo, že do poslední chvíle nesvítila kontrolka dobíjení - až to vytáhlo baterku a potom postupně barevná hudba na přístrojích a zmatené hlášky z počítače. Kdybych nenapojil po nabití baterie a nastartování voltmetr, nic bych nevěděl, protože kontrolka opět normálně zhasla a nerozsvítila se opět - ani po chvíli /ca 20 sec./ - znám to ze staršího TDCi, takže jsem čekal.
Jinak jsem další do rodiny padlých alternátorů, včera se odporoučel a nejlepší na tom bylo, že do poslední chvíle nesvítila kontrolka dobíjení - až to vytáhlo baterku a potom postupně barevná hudba na přístrojích a zmatené hlášky z počítače. Kdybych nenapojil po nabití baterie a nastartování voltmetr, nic bych nevěděl, protože kontrolka opět normálně zhasla a nerozsvítila se opět - ani po chvíli /ca 20 sec./ - znám to ze staršího TDCi, takže jsem čekal.
FoFo II, 1,8 TDCi, 4/2006, jeansblue
- ondora
- Nováček

- Příspěvky: 134
- Registrován: 02.02.2008 03:18
- Bydliště: Teplice
Re: Alternátor
přidám se také-naštěstí začala svítit kontrolka dobíjení a při přidání plynu se kolem 1 100 min-1 ozývalo hučení od alternátoru-120t km najeto a výměna alternátoru to doufám vyřešila.
FORD FOCUS KOMBI SPORT TDCi 85kW 02/2006 stříbrná metal
-
vlasto
- Nováček

- Příspěvky: 12
- Registrován: 30.03.2009 19:00
Re: Alternátor
zdravim vsetkych, pozorne som precital toto vlakno a chcem vas popytat o radu. mam FF II 1,6 TiVCT, 2005, 60 000 km. asi dva tyzdne mi zdanlivo uplne nahodne blika kontrolka dobijania. kedykolvek po jazde dlhsej ako cca 20 - 30 minut sa zacne rozsvecovat a zhasinat. kontrola vo forde, vysledok: diagnostika nic, baterka pri starte pada na 8V, co je malo, ked kontrolka nesvietila altik dobijal v poriadku, rozsvietenu kontrolku nezastihol. ze to len tipuje na alternator, a ze s tym mozem jazdit, kym sa uplne nedojekazi, potom mi vymenia novy za 240 euri. v inom servise sa podarilo zmerat dobijanie alternatora pri svietiacej kontrolke. a dobijal v poriadku. wtf? co to moze znamenat? prud z altiku ide vzdy iba do baterky a z baterky dalej, kam ho treba? alebo ide nieco z alternatora aj priamo "do spotreby"? v com moze byt problem, ked alternator dobija v poriadku a svieti kontrolka dobijania? da sa vysledku takehoto merania verit? vraj skontroloval aj kable a ze vsetky boli ok. auto mi vratil s tym, ze nevie, co mu je. fuck, uz som na tom aute opravoval ESP aj pumpu k posilnovacu riadenia! zacinam stracat doveru k fordu.
FordFocus II Cosmic Silver combi, 1,6 Ti-VCT, 85kW/115HP, 10/2005
- pelen
- Test driver

- Příspěvky: 9259
- Registrován: 02.02.2008 03:18
- Bydliště: Nový Jičín
- Kontaktovat uživatele:
Re: Alternátor
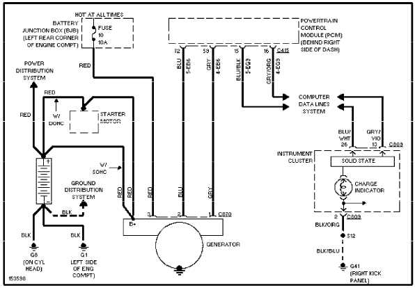
Rozsviceni kontrolky dobijeni ovlivnuji dve zarizeni:
- alternator
- pcm modul
Pokud je alternator vporadku, nejjednodussi je kontrolovat palubni napeti site, pak je vadny pcm modul. Kontrolka sviti pri podpeti i pri prepeti.
- alternator
- pcm modul
Pokud je alternator vporadku, nejjednodussi je kontrolovat palubni napeti site, pak je vadny pcm modul. Kontrolka sviti pri podpeti i pri prepeti.
-
vlasto
- Nováček

- Příspěvky: 12
- Registrován: 30.03.2009 19:00
Re: Alternátor
vdaka za info. tipujem, ze PCM sa neda opravit, iba vymenit a ze stoji 3000 euri.. je teoreticky mozne, ze by bol problem este niekde v kabloch? je mozne, aby alternator chvilu dobijal spravne a chvilu nespravne? ze by ten moj nameral zrovna, ked dobijal spravne.. ale to su uz take zufale uvahy 
FordFocus II Cosmic Silver combi, 1,6 Ti-VCT, 85kW/115HP, 10/2005
-
Míra
- Nováček

- Příspěvky: 92
- Registrován: 30.06.2008 13:55
- Bydliště: České Budějovice
Re: Alternátor
Kup si diodový voltmetr, který se dá napíchnout do zapalovače /není drahý,mají jej v každých autodoplňkách i některých pumpách/. Používám jej, když si nejsem jistý nabíjením a samozřejmě nemůžu mít stále napojený voltmetr. Podle něj poznáš, co se děje s napětím za jízdy. A potom bych spíše šel napřed po alternátoru /šikovný autoelektrikář jej dokáže většinou opravit - uhlíky,regulátor,diodový blok, rotor/.
FoFo II, 1,8 TDCi, 4/2006, jeansblue
-
vlasto
- Nováček

- Příspěvky: 12
- Registrován: 30.03.2009 19:00
Re: Alternátor
Mira: ja by som si to kupil, ale co mi to povie, ten pristroj? ze je problem s dobijanim. to mi ukaze aj ta ikonka na pristrojovke
alebo sa mylim?
FordFocus II Cosmic Silver combi, 1,6 Ti-VCT, 85kW/115HP, 10/2005
-
Míra
- Nováček

- Příspěvky: 92
- Registrován: 30.06.2008 13:55
- Bydliště: České Budějovice
Re: Alternátor
Jednak máš kontrolu,kdy Ti skutečně nabíjí, bez ohledu na kontrolku, která není vždy směrodatná /jak jsem psal výše, mě nenabíjel a přesto nesvítila/ a jednak máš v této nejisté situaci /než opravdu něco padne a budeš mít jistotu/ alespoň trochu pod kontrolou stav baterie a možná Ti to ušetří případné starosti s odtahem - tyhle auta dlouho bez nabíjení nejedou, už vzhledem k tomu, kolik tahá elektrické servo a elektrika nutná pro motor.
FoFo II, 1,8 TDCi, 4/2006, jeansblue
- chycek
- Pokročilý

- Příspěvky: 768
- Registrován: 22.07.2009 13:23
- Bydliště: Nevojice
Re: Alternátor
Nebo se dá kontrolovat napětí když vlezeš do "diagnostického módu přístrojové desky", aspoň myslím.
>>Galerie<<Ford Focus I Trend, 1.6/74kW, 3 door, r.v. 2002
Všichni jste blázni, jenom já jsem letadlo.
Všichni jste blázni, jenom já jsem letadlo.
-
vlasto
- Nováček

- Příspěvky: 12
- Registrován: 30.03.2009 19:00
Re: Alternátor
Mira: jj, uz to zhanam, este sa mi to tu v BA nepodarilo kupit. podla mojich chabych vedomosti mi takyto voltmeter ukaze pokles napatia v systeme. ake su ale moznosti, co moze ten pokles sposobovat? viem to potom nejako vydedukovat?
FordFocus II Cosmic Silver combi, 1,6 Ti-VCT, 85kW/115HP, 10/2005
- Matej
- Nováček

- Příspěvky: 68
- Registrován: 02.02.2008 03:18
- Bydliště: Nitra
Re: Alternátor
Presne tak ..........tiež som si myslel že to nie je možné ale práve dnes mi odišiel alternátor do "večných lovíšť"sibari píše:Prečítaj si celé toto vlákno a zistíš,že už prišiel "jeho"čas . . .
Naposledy upravil(a) Matej dne 22.06.2010 06:11, celkem upraveno 1 x.
FORD-Focus C-MAX 1.8TDCi Ghia
- Matej
- Nováček

- Příspěvky: 68
- Registrován: 02.02.2008 03:18
- Bydliště: Nitra
Re: Alternátor
[quote="Matej"][quote="sibari"]Prečítaj si celé toto vlákno a zistíš,že už prišiel "jeho"čas . . . 
Tu je odkaz aj na ceny nových
http://www.google.sk/imgres?imgurl=http ... s%3Disch:1
Tu je odkaz aj na ceny nových
http://www.google.sk/imgres?imgurl=http ... s%3Disch:1
FORD-Focus C-MAX 1.8TDCi Ghia
- pelen
- Test driver

- Příspěvky: 9259
- Registrován: 02.02.2008 03:18
- Bydliště: Nový Jičín
- Kontaktovat uživatele:
Re: Alternátor
Zase konstrukteri nezohlednili pri volbe diod jejich nedostatecne chlazeni.
-
mirecek
- Nováček

- Příspěvky: 21
- Registrován: 06.03.2009 09:40
Re: Alternátor
Ahoj,
tak dneska se mi konečně podařilo dostat tu mrchu z auta ven. Určitě je v pytli diodový můstek.
Takhle vypadají dvě diody. Myslíte, že má cenu zkoušet je vyměnit? Přeci jen, měnit kvůli tomu celý můstek, to se mi moc nezdá.
Nevíte o nějakém opraváři alternátorů v Praze a blízkém okolí?
PS: Než mi altík odešel, tak jsem měl auto v servisu. Snad tři týdny. Takže se asi vybila baterka a alternátor to pak neutáhl, jak psal Matej. Takže bacha na to...
M.
tak dneska se mi konečně podařilo dostat tu mrchu z auta ven. Určitě je v pytli diodový můstek.
Takhle vypadají dvě diody. Myslíte, že má cenu zkoušet je vyměnit? Přeci jen, měnit kvůli tomu celý můstek, to se mi moc nezdá.
Nevíte o nějakém opraváři alternátorů v Praze a blízkém okolí?
PS: Než mi altík odešel, tak jsem měl auto v servisu. Snad tři týdny. Takže se asi vybila baterka a alternátor to pak neutáhl, jak psal Matej. Takže bacha na to...
M.
Focus II, 2006, 1.6 TDCi, 66kW
- Matej
- Nováček

- Příspěvky: 68
- Registrován: 02.02.2008 03:18
- Bydliště: Nitra
Re: Alternátor
[quote="mirecek"]Ahoj,
tak dneska se mi konečně podařilo dostat tu mrchu z auta ven. Určitě je v pytli diodový můstek.
Takhle vypadají dvě diody. Myslíte, že má cenu zkoušet je vyměnit? Přeci jen, měnit kvůli tomu celý můstek, to se mi moc nezdá.
No ak si na to vybavený tak je treba vymeniť celý mostík. Diody sú z výroby bodované a repas sa robí aj tak že mnohí používajú klasickú pájku ale to musí byť skutočne urobené zodpovedne. A to že Ti odošli len diody ešte nemusí byť pravda . Ak odošiel aj regulátor tak potom treba vymeniť aj ten a všetko pred montážou aj vyskúšať. Montáž a demontáž nie je jednoduchá vec.Tie diody v mojom prípade vypadali rovnako ako je na obrázku
tak dneska se mi konečně podařilo dostat tu mrchu z auta ven. Určitě je v pytli diodový můstek.
Takhle vypadají dvě diody. Myslíte, že má cenu zkoušet je vyměnit? Přeci jen, měnit kvůli tomu celý můstek, to se mi moc nezdá.
No ak si na to vybavený tak je treba vymeniť celý mostík. Diody sú z výroby bodované a repas sa robí aj tak že mnohí používajú klasickú pájku ale to musí byť skutočne urobené zodpovedne. A to že Ti odošli len diody ešte nemusí byť pravda . Ak odošiel aj regulátor tak potom treba vymeniť aj ten a všetko pred montážou aj vyskúšať. Montáž a demontáž nie je jednoduchá vec.Tie diody v mojom prípade vypadali rovnako ako je na obrázku
FORD-Focus C-MAX 1.8TDCi Ghia
Kdo je online
Uživatelé prohlížející si toto fórum: Žádní registrovaní uživatelé a 0 hostů



