FORScan sice píše poslední dostupný soubor EF, ale ke stažení nabízí jen EE. Hledal jsem všude možně po webu a našel..... kulový
Dodělání automatického sklápění zpětných zrcátek
-
misanekx
- Nováček

- Příspěvky: 30
- Registrován: 24.08.2023 10:25
Re: Dodělání automatického sklápění zpětných zrcátek
Mám prosbu, potřeboval bych jestli mi někdo může poslat kalibrační soubor pro DDM 7G9T-14B533-ED.
FORScan sice píše poslední dostupný soubor EF, ale ke stažení nabízí jen EE. Hledal jsem všude možně po webu a našel..... kulový
Díky
FORScan sice píše poslední dostupný soubor EF, ale ke stažení nabízí jen EE. Hledal jsem všude možně po webu a našel..... kulový
- ZaQik
- Admin

- Příspěvky: 25227
- Registrován: 30.05.2010 17:33
- Bydliště: exit 82 na D0
Re: Dodělání automatického sklápění zpětných zrcátek
7G9T-14B533-ED je cislo dilu, ne verze fw - je to videt i z Tveho printscreenu ... tipuji, ze tomu moc nerozumis tak Ti dam dobrou radu: nech to byt, abys auto jeste po svych "operacich" dokazal zamknout
Ford Focus mk3 combi 1.6 Ti-VCT, r.v.2018 + Ford Fiesta mk7 3D 1.25, r.v.2014
byl Ford Focus mk2 combi 1.6, r.v.2009 + Ford Fiesta mk6 1.4 TDCi r.v. 2004
Nejsem poradna, encyklopedie ani hotline spolecnosti Ford - ptejte se na foru, od toho je.
byl Ford Focus mk2 combi 1.6, r.v.2009 + Ford Fiesta mk6 1.4 TDCi r.v. 2004
Nejsem poradna, encyklopedie ani hotline spolecnosti Ford - ptejte se na foru, od toho je.
-
misanekx
- Nováček

- Příspěvky: 30
- Registrován: 24.08.2023 10:25
Re: Dodělání automatického sklápění zpětných zrcátek
Jsem to blbě napsal, Potřeboval jsem kalibrační soubory 7G9T-14B533-EF. Ale pravda, asi se na automatické sklápění vyprdnu uplně, stejně bych to za chvilku zase vypínal kvuli mrazu. Zustanu asi u manualního tlačítka. Navíc bych musel vyměnit zadní moduly.
- ZaQik
- Admin

- Příspěvky: 25227
- Registrován: 30.05.2010 17:33
- Bydliště: exit 82 na D0
Re: Dodělání automatického sklápění zpětných zrcátek
SBL: 7G9T-14C067-AB
F188: 7G9T-14C064-AF
F108: 8G9T-14C321-AA
F124: 7G9T-14C065-AF
F188: 7G9T-14C064-AF
F108: 8G9T-14C321-AA
F124: 7G9T-14C065-AF
Ford Focus mk3 combi 1.6 Ti-VCT, r.v.2018 + Ford Fiesta mk7 3D 1.25, r.v.2014
byl Ford Focus mk2 combi 1.6, r.v.2009 + Ford Fiesta mk6 1.4 TDCi r.v. 2004
Nejsem poradna, encyklopedie ani hotline spolecnosti Ford - ptejte se na foru, od toho je.
byl Ford Focus mk2 combi 1.6, r.v.2009 + Ford Fiesta mk6 1.4 TDCi r.v. 2004
Nejsem poradna, encyklopedie ani hotline spolecnosti Ford - ptejte se na foru, od toho je.
-
misanekx
- Nováček

- Příspěvky: 30
- Registrován: 24.08.2023 10:25
Re: Dodělání automatického sklápění zpětných zrcátek
To jsou názvy souborů z UCDS, že? Tak tam mám taky smolika, čínský klon od nich nestahuje 
Platím si jen FORScan
Platím si jen FORScan
- ZaQik
- Admin

- Příspěvky: 25227
- Registrován: 30.05.2010 17:33
- Bydliště: exit 82 na D0
Re: Dodělání automatického sklápění zpětných zrcátek
to jsou soubory s fw s oznacenim kam patri ... ja pro stazeni pouzivam IDS a https://www.fordtechservice.dealerconne ... roduct=IDS
Ford Focus mk3 combi 1.6 Ti-VCT, r.v.2018 + Ford Fiesta mk7 3D 1.25, r.v.2014
byl Ford Focus mk2 combi 1.6, r.v.2009 + Ford Fiesta mk6 1.4 TDCi r.v. 2004
Nejsem poradna, encyklopedie ani hotline spolecnosti Ford - ptejte se na foru, od toho je.
byl Ford Focus mk2 combi 1.6, r.v.2009 + Ford Fiesta mk6 1.4 TDCi r.v. 2004
Nejsem poradna, encyklopedie ani hotline spolecnosti Ford - ptejte se na foru, od toho je.
-
misanekx
- Nováček

- Příspěvky: 30
- Registrován: 24.08.2023 10:25
Re: Dodělání automatického sklápění zpětných zrcátek
Díky, v týdnu když bude čas tak na to mrknu. Ale myslím, že na stránky Forda jsem už koukal a nebylo tam všechno.
-
misanekx
- Nováček

- Příspěvky: 30
- Registrován: 24.08.2023 10:25
Re: Dodělání automatického sklápění zpětných zrcátek
Hotovo, soubory jsem stáhl od Forda a nacpal je do DDM přes FORScan. No a zrcátka pěkně jezdí
Snad mi nezamrznou a nebudu shánět nová až se pak utrhnou. 
Díky ZaQik za navedení k souborům.
Díky ZaQik za navedení k souborům.
-
misanekx
- Nováček

- Příspěvky: 30
- Registrován: 24.08.2023 10:25
Re: Dodělání automatického sklápění zpětných zrcátek
Jen ještě dodám, že pokud někdo chce dělat update DDM přes FORScan tak musí používat betu, normální verze tento modul aktualizovat - přehrávat neumí. Teda alespoň u mě to tak je, že klasická verze toho nabízí podstatně méně.
-
Vacil
- Junior

- Příspěvky: 207
- Registrován: 05.01.2020 09:04
- Bydliště: Obříství
Re: Dodělání automatického sklápění zpětných zrcátek
Jen jak tu už několikrát zmiňujes - zamrznuti zrcatek se neboj, tohle na fordu funguje bezproblemove 
-
misanekx
- Nováček

- Příspěvky: 30
- Registrován: 24.08.2023 10:25
Re: Dodělání automatického sklápění zpětných zrcátek
Super, děkuju za uklidnění. 
-
otík
- Junior

- Příspěvky: 273
- Registrován: 24.07.2017 18:59
- Bydliště: ValMez
napájení dveřních modulů
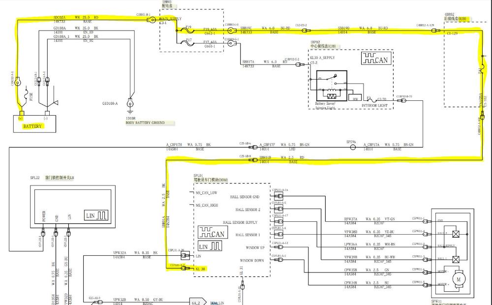
Ahojte, nevíte prosím zda v dveřním modulu řidiče/ spolujezdce je na pinu 2 konektoru A +12V trvalých nebo zda se napájení odpojí např. po zamknutí auta a spaní jednotek, cca po 10-15 minutách?
Díky. Mohl bych to sice rozebrat a změřit, ale doma jsem až za tmy a to už není ono...
Díky. Mohl bych to sice rozebrat a změřit, ale doma jsem až za tmy a to už není ono...
Ford Galaxy Ghia, rv 2008, 2.2 TDCi (129kW)
- ZaQik
- Admin

- Příspěvky: 25227
- Registrován: 30.05.2010 17:33
- Bydliště: exit 82 na D0
Re: Dodělání automatického sklápění zpětných zrcátek
podle schemat by to melo byt trvale
Ford Focus mk3 combi 1.6 Ti-VCT, r.v.2018 + Ford Fiesta mk7 3D 1.25, r.v.2014
byl Ford Focus mk2 combi 1.6, r.v.2009 + Ford Fiesta mk6 1.4 TDCi r.v. 2004
Nejsem poradna, encyklopedie ani hotline spolecnosti Ford - ptejte se na foru, od toho je.
byl Ford Focus mk2 combi 1.6, r.v.2009 + Ford Fiesta mk6 1.4 TDCi r.v. 2004
Nejsem poradna, encyklopedie ani hotline spolecnosti Ford - ptejte se na foru, od toho je.
-
otík
- Junior

- Příspěvky: 273
- Registrován: 24.07.2017 18:59
- Bydliště: ValMez
Re: Dodělání automatického sklápění zpětných zrcátek
Hm, to jsem tak nějak tušil, ve schématech je všechno na přímo, bez relátek. Díky ale za potvrzení.
Je tam prosím ještě i jiný +12V zdroj, který je spínaný?
Je tam prosím ještě i jiný +12V zdroj, který je spínaný?
Ford Galaxy Ghia, rv 2008, 2.2 TDCi (129kW)
- ZaQik
- Admin

- Příspěvky: 25227
- Registrován: 30.05.2010 17:33
- Bydliště: exit 82 na D0
Re: Dodělání automatického sklápění zpětných zrcátek
ve dverich ne
Ford Focus mk3 combi 1.6 Ti-VCT, r.v.2018 + Ford Fiesta mk7 3D 1.25, r.v.2014
byl Ford Focus mk2 combi 1.6, r.v.2009 + Ford Fiesta mk6 1.4 TDCi r.v. 2004
Nejsem poradna, encyklopedie ani hotline spolecnosti Ford - ptejte se na foru, od toho je.
byl Ford Focus mk2 combi 1.6, r.v.2009 + Ford Fiesta mk6 1.4 TDCi r.v. 2004
Nejsem poradna, encyklopedie ani hotline spolecnosti Ford - ptejte se na foru, od toho je.
Kdo je online
Uživatelé prohlížející si toto fórum: Žádní registrovaní uživatelé a 0 hostů

