BMS + start/stop
- ZaQik
- Admin

- Příspěvky: 24916
- Registrován: 30.05.2010 17:33
- Bydliště: exit 82 na D0
Re: BMS + start/stop
tak jsem si to procetl a ... a vsechno je to popis funkcnosti regulatoru na alternatoru ... nejak to neresi zde zminovany problem, tj. co dela BMS
(navic vsechny popsane regulace mi prijdou jako zastarale jako u FF2 ... uz mondeo mk4 ma regulator jiny, protoze komunikuje s PCM po sbernici)
(navic vsechny popsane regulace mi prijdou jako zastarale jako u FF2 ... uz mondeo mk4 ma regulator jiny, protoze komunikuje s PCM po sbernici)
Ford Focus mk3 combi 1.6 Ti-VCT, r.v.2018 + Ford Fiesta mk7 3D 1.25, r.v.2014
byl Ford Focus mk2 combi 1.6, r.v.2009 + Ford Fiesta mk6 1.4 TDCi r.v. 2004
Nejsem poradna, encyklopedie ani hotline spolecnosti Ford - ptejte se na foru, od toho je.
byl Ford Focus mk2 combi 1.6, r.v.2009 + Ford Fiesta mk6 1.4 TDCi r.v. 2004
Nejsem poradna, encyklopedie ani hotline spolecnosti Ford - ptejte se na foru, od toho je.
- Adow
- Člen klubu

- Příspěvky: 6806
- Registrován: 20.05.2011 09:52
- Bydliště: Kousek od Brna
Re: BMS + start/stop
Tak já jsem to dnes prokaučoval. Auto bylo zamlžené, nicméně výhřev s tím nic neudělal. Až když jsem to shrábl stěračema a rozjel se. Takže nevím, jestli to hřálo i na volnoběh nebo až jsem se rozjel. Po setření se sklo hned odmlžilo, až na pár pruhů. Podle mě už to hřálo na ten volnoběh. Do pojistkovnice se mi pořád nějak nechce lézt, je tam dost na prd přístup. Každopádně moje čelní sklo je asi zralé na reklamaci.
Na zítřek nechám BMS a vypnu S/S a udělám nový pokus
Na zítřek nechám BMS a vypnu S/S a udělám nový pokus
Je: Ford S-max II, 2.0 TDCi
Je: Ford B-max, 1.0 EB
Je: BMW i3, BEV 125 kW
Byl: Ford S-max I, 1.8 TDCi
Byl: Ford Focus III Combi FL, 1.5 EB
Byl: Ford Focus II Combi FL, 1.6i
Je: Ford B-max, 1.0 EB
Je: BMW i3, BEV 125 kW
Byl: Ford S-max I, 1.8 TDCi
Byl: Ford Focus III Combi FL, 1.5 EB
Byl: Ford Focus II Combi FL, 1.6i
- fordkuga
- Nováček

- Příspěvky: 74
- Registrován: 11.01.2013 19:01
- Bydliště: Jablonec nad Nisou
Re: BMS + start/stop
to ZaQik: Jak už jsem psal, u Forda BMS (oný bazmek na baterii) měří napětí baterie a teplotu a tyto hodnoty jsou přenášeny do řídící jednotky, která podle daného algoritmu řídí regulator alternátoru.
Na přiloženém obrázku jsou vidět nabíjecí křivky bez inteligentního dobíjení a s inteligentním dobíjením.
Systém inteligentního dobíjení funguje tak, že alternátor dobíjí (tj. že na svorkách alternároru je indukován potenciál) při poklesu napětí na svorkách baterie pod 12,1V nebo při brždění motorem.
Je omyl si myslet, že už na volnoběh alternátor musí při funkci inteligentního dobíjení dobíjet. Alternátor totiž dobíjí, až když je "nabuzen" a pokud je napětí na baterii vyšší než 12,1V, tak řídící jednotka při funkci inteligentního dobíjení (a pokud auto nebrzdí motorem) neumožní buzení alternátoru a alternátor nenabíjí.
Na přiložením obrázku je vidět, že při funkci inteligentního dobíjení, alternátor nepracuje spojitě a buďto nenabíjí vůbec, nebo nabíjí a na svorkách je napětí 15,9V.
https://www.auto.cz/nespolehlivost-bate ... rzi-125770
https://www.auto.cz/nesmysl-jmenem-stop ... rie-113291
http://www.cimbu.cz/index.php?page=whol ... ze&item=36
Podle mého názoru je nejjednodušší hardwarově deaktivovat BMS odpojením bazmeku (našel jsem jen přiložený obrázek) nebo vytažením pojistky(pokud BMS má svoji vlastní pojistku). Tím vyřadíte inteligentní dobíjení (protože řídící jednotka nedostává informace pro jeho řízení). Je to kdykoli lehce vratné. Pouze budete muset ručně zapínat (nepůjde automatické) vyhřívání skel a nebude fungovat start-stop.
https://www.youtube.com/watch?v=ofbdqYD2Fxo
https://www.google.cz/imgres?imgurl=htt ... egUIARD5AQ
Na přiloženém obrázku jsou vidět nabíjecí křivky bez inteligentního dobíjení a s inteligentním dobíjením.
Systém inteligentního dobíjení funguje tak, že alternátor dobíjí (tj. že na svorkách alternároru je indukován potenciál) při poklesu napětí na svorkách baterie pod 12,1V nebo při brždění motorem.
Je omyl si myslet, že už na volnoběh alternátor musí při funkci inteligentního dobíjení dobíjet. Alternátor totiž dobíjí, až když je "nabuzen" a pokud je napětí na baterii vyšší než 12,1V, tak řídící jednotka při funkci inteligentního dobíjení (a pokud auto nebrzdí motorem) neumožní buzení alternátoru a alternátor nenabíjí.
Na přiložením obrázku je vidět, že při funkci inteligentního dobíjení, alternátor nepracuje spojitě a buďto nenabíjí vůbec, nebo nabíjí a na svorkách je napětí 15,9V.
https://www.auto.cz/nespolehlivost-bate ... rzi-125770
https://www.auto.cz/nesmysl-jmenem-stop ... rie-113291
http://www.cimbu.cz/index.php?page=whol ... ze&item=36
Podle mého názoru je nejjednodušší hardwarově deaktivovat BMS odpojením bazmeku (našel jsem jen přiložený obrázek) nebo vytažením pojistky(pokud BMS má svoji vlastní pojistku). Tím vyřadíte inteligentní dobíjení (protože řídící jednotka nedostává informace pro jeho řízení). Je to kdykoli lehce vratné. Pouze budete muset ručně zapínat (nepůjde automatické) vyhřívání skel a nebude fungovat start-stop.
https://www.youtube.com/watch?v=ofbdqYD2Fxo
https://www.google.cz/imgres?imgurl=htt ... egUIARD5AQ
FORD KUGA II (DM2), rok výroby 2017, 2.0 TDCi 4x4 (1997ccm\110kW\150HP), motor T7MA
- Adow
- Člen klubu

- Příspěvky: 6806
- Registrován: 20.05.2011 09:52
- Bydliště: Kousek od Brna
Re: BMS + start/stop
Zajímavé články 
Je: Ford S-max II, 2.0 TDCi
Je: Ford B-max, 1.0 EB
Je: BMW i3, BEV 125 kW
Byl: Ford S-max I, 1.8 TDCi
Byl: Ford Focus III Combi FL, 1.5 EB
Byl: Ford Focus II Combi FL, 1.6i
Je: Ford B-max, 1.0 EB
Je: BMW i3, BEV 125 kW
Byl: Ford S-max I, 1.8 TDCi
Byl: Ford Focus III Combi FL, 1.5 EB
Byl: Ford Focus II Combi FL, 1.6i
- Raada
- Test driver

- Příspěvky: 2774
- Registrován: 07.09.2008 00:35
- Bydliště: Exit 10 na D10
Re: BMS + start/stop
Jako super, ale rozlisoval bych, co jde u Focusu Mk.3 a co u Mondea Mk.V. Toto je vlakno tykajici se Mondei Mk.5 a tam to neni tak easy vyradit jak jsem pochopil od Zaqika.
- fordkuga
- Nováček

- Příspěvky: 74
- Registrován: 11.01.2013 19:01
- Bydliště: Jablonec nad Nisou
Re: BMS + start/stop
Tak něco pro Mondeo:
Ford Mondeo Mk5 2l Diesel
https://www.youtube.com/watch?v=uVI_lRtK4O4
Na výše uvedeném videu v čase 2.20 min. je vidět na zadním pólu baterie konektor BMS, který lze odpojit.
Zde pro Ford Mondeo Mk4 2007:
https://www.youtube.com/watch?v=rahugsPQS4k
Ford Mondeo Mk5 2l Diesel
https://www.youtube.com/watch?v=uVI_lRtK4O4
Na výše uvedeném videu v čase 2.20 min. je vidět na zadním pólu baterie konektor BMS, který lze odpojit.
Zde pro Ford Mondeo Mk4 2007:
https://www.youtube.com/watch?v=rahugsPQS4k
FORD KUGA II (DM2), rok výroby 2017, 2.0 TDCi 4x4 (1997ccm\110kW\150HP), motor T7MA
-
hannzi2
- Nováček

- Příspěvky: 135
- Registrován: 16.07.2011 13:47
- Bydliště: Ostrava
Re: BMS + start/stop
Moje zkušenost. Přes Forscan jsem deaktivova S/S a nic víc. BMS jsem nechal "na pokoji".
Voltmetr mi teď ukazuje,že pěkně dobíjí od 14,2 - 14,9V. Ráno 14,9V a později dle potřeby.
Voltmetr mi teď ukazuje,že pěkně dobíjí od 14,2 - 14,9V. Ráno 14,9V a později dle potřeby.
Je: Ford Mondeo kombi 2.0 TDCi,110kW Titanium 2017
Bylo: Ford Mondeo kombi,2.0 TDCi,103kWTitanium Black Panther 2008
Bylo: Ford Focus II kombi,1.6TDCi 2005
Bylo: Ford Focus I kombi 1.8TDDi 2001
Bylo: Ford Escort kombi 1.6 16v benzín 1999
Bylo: Ford Mondeo kombi,2.0 TDCi,103kWTitanium Black Panther 2008
Bylo: Ford Focus II kombi,1.6TDCi 2005
Bylo: Ford Focus I kombi 1.8TDDi 2001
Bylo: Ford Escort kombi 1.6 16v benzín 1999
- Raww
- Nováček

- Příspěvky: 39
- Registrován: 02.01.2020 10:24
- Bydliště: Jihlava
Re: BMS + start/stop
... postupně, jak jsem četl o "inteligentní dobíjení" mi vrtalo hlavou, jak se chová takové Mondeo HEV. Protože i HEV má na mínusovém pólu osazený onem bazmek na měření viz.foto, ale četnost zastavování a spouštění benzínového motoru je zcela jinde než u obyčejného S/S.
Pro jednoduché pozorování jsem si pořídil tohle https://www.aliexpress.com/item/3297069 ... 4c4d5oIybA. Pro kontrolu jsem ještě změřil analyzátorem přímo baterii. Tím se mi potvrdilo, že čínská nabíječka s displejem ukazuje napětí s odchylkou 0,05V.
A jak se tedy HEV k baterii 12V chová?
Při vypnutém autě, je napětí 12V baterie cca 12,1V. Po stisknutí tlačítka Start/Stop se napětí okamžitě zvedne na 14,8V aniž by nastartoval benzínový motor, což ukazuje na nabíjení. A 14,8V je na baterii stále po celou dobu jízdy a to naprosto bez ohledu na to, zda auto stojí a vůbec neběží benzínový motor nebo motor běží nebo jede pouze trakční elektromotor či se brzdí či rekuperuje.
Napětí na baterii se změní až po ukončení jízdy (stisk Start/Stop), kdy napětí postupně klesá na 12,1V.
Z tohoto je jasné, že pro nabíjení 12V slouží elektronický měnič DC/DC a jako zdroj slouží trakční baterie.
Zatím jsem monitoroval pouze na trasách do 15km.
Doufám tedy, že 12V baterie vydrží alespoň těch 5 let.
A jak se tedy HEV k baterii 12V chová?
Při vypnutém autě, je napětí 12V baterie cca 12,1V. Po stisknutí tlačítka Start/Stop se napětí okamžitě zvedne na 14,8V aniž by nastartoval benzínový motor, což ukazuje na nabíjení. A 14,8V je na baterii stále po celou dobu jízdy a to naprosto bez ohledu na to, zda auto stojí a vůbec neběží benzínový motor nebo motor běží nebo jede pouze trakční elektromotor či se brzdí či rekuperuje.
Napětí na baterii se změní až po ukončení jízdy (stisk Start/Stop), kdy napětí postupně klesá na 12,1V.
Z tohoto je jasné, že pro nabíjení 12V slouží elektronický měnič DC/DC a jako zdroj slouží trakční baterie.
Zatím jsem monitoroval pouze na trasách do 15km.
Doufám tedy, že 12V baterie vydrží alespoň těch 5 let.
Ford Mondeo 2019, HEV, iVCT, 138kW, Titanium
Ford Transit Custom 2016, 2,2TDCi 74kW
Ford Focus II, 1,6i 74kW, automat
Bylo: Ford Mondeo Mk5 2016, 2,0TDCi 132kW, 4x4, PowerShift, Titanium
Bylo: Ford Mondeo Mk3 2007, 2,5V6 125kW, automat, Titanium
Ford Transit Custom 2016, 2,2TDCi 74kW
Ford Focus II, 1,6i 74kW, automat
Bylo: Ford Mondeo Mk5 2016, 2,0TDCi 132kW, 4x4, PowerShift, Titanium
Bylo: Ford Mondeo Mk3 2007, 2,5V6 125kW, automat, Titanium
- fordkuga
- Nováček

- Příspěvky: 74
- Registrován: 11.01.2013 19:01
- Bydliště: Jablonec nad Nisou
Re: BMS + start/stop
Jen pro ilustraci: Ford Focus
Na videu v odkazu je v čase 7.10 min. vidět oný bazmek BMS a jeho odpojení.
https://www.youtube.com/watch?v=nqqNEt1lFYs
Na videu v odkazu je v čase 7.10 min. vidět oný bazmek BMS a jeho odpojení.
https://www.youtube.com/watch?v=nqqNEt1lFYs
FORD KUGA II (DM2), rok výroby 2017, 2.0 TDCi 4x4 (1997ccm\110kW\150HP), motor T7MA
- Adow
- Člen klubu

- Příspěvky: 6806
- Registrován: 20.05.2011 09:52
- Bydliště: Kousek od Brna
Re: BMS + start/stop
Tak já jsem našel opět další postupy jak deaktivovat S/S - ale vesměs je to vše stejné..
Tady tentokrát pro UCDS, první dva řádky by měly být povinné, třetí a čtvrtý volitelné. Osobně si myslím, že ani ten druhý není potřeba, ale v rámci testování jsem to zkusil komplet:
Když to shrnu, je to to stejné s tím rozdílem, že já jsem BMS dal na Disabled a tady je PWM. Takže v BCM visí chyba BMS.
Dnes ráno bylo hodně namrzlo, okno se nerozmlžilo a já jsem škrábal. Subjektivně ale musím dodat, že to šlo hodně lehce, jako kdyby to okno trochu topilo.
Co dalšího bych dodal k podmínkám - s autem se teď moc nejezdí, buď krátké trasy nebo jen stojí a vybíjí se. Baterie už bude chtít zase nabít, ráno to točilo dýl než obvykle. Takže jestli je slabá baterie důvodem nefunkčního rozmrazování....??
Tady tentokrát pro UCDS, první dva řádky by měly být povinné, třetí a čtvrtý volitelné. Osobně si myslím, že ani ten druhý není potřeba, ale v rámci testování jsem to zkusil komplet:
Kód: Vybrat vše
BCM DE2F SlaveExists_BMS_Cfg ABSENT
BCM DE03 BMSInCar_Cfg PWM
FCIM DE00 Start/Stop Button/Strategy Vehicle Not Equipped with Start/Stop
IPC DE00 Stop Start Auto Start Stop DisabledDnes ráno bylo hodně namrzlo, okno se nerozmlžilo a já jsem škrábal. Subjektivně ale musím dodat, že to šlo hodně lehce, jako kdyby to okno trochu topilo.
Co dalšího bych dodal k podmínkám - s autem se teď moc nejezdí, buď krátké trasy nebo jen stojí a vybíjí se. Baterie už bude chtít zase nabít, ráno to točilo dýl než obvykle. Takže jestli je slabá baterie důvodem nefunkčního rozmrazování....??
Je: Ford S-max II, 2.0 TDCi
Je: Ford B-max, 1.0 EB
Je: BMW i3, BEV 125 kW
Byl: Ford S-max I, 1.8 TDCi
Byl: Ford Focus III Combi FL, 1.5 EB
Byl: Ford Focus II Combi FL, 1.6i
Je: Ford B-max, 1.0 EB
Je: BMW i3, BEV 125 kW
Byl: Ford S-max I, 1.8 TDCi
Byl: Ford Focus III Combi FL, 1.5 EB
Byl: Ford Focus II Combi FL, 1.6i
- ZaQik
- Admin

- Příspěvky: 24916
- Registrován: 30.05.2010 17:33
- Bydliště: exit 82 na D0
Re: BMS + start/stop
volba PWM by mela zajistit BMS v provozu ... ale na volnobeh to stejne moc nerozmazuje 
Ford Focus mk3 combi 1.6 Ti-VCT, r.v.2018 + Ford Fiesta mk7 3D 1.25, r.v.2014
byl Ford Focus mk2 combi 1.6, r.v.2009 + Ford Fiesta mk6 1.4 TDCi r.v. 2004
Nejsem poradna, encyklopedie ani hotline spolecnosti Ford - ptejte se na foru, od toho je.
byl Ford Focus mk2 combi 1.6, r.v.2009 + Ford Fiesta mk6 1.4 TDCi r.v. 2004
Nejsem poradna, encyklopedie ani hotline spolecnosti Ford - ptejte se na foru, od toho je.
- Adow
- Člen klubu

- Příspěvky: 6806
- Registrován: 20.05.2011 09:52
- Bydliště: Kousek od Brna
Re: BMS + start/stop
Njn, ve srovnání s předchozími Focusy a s minulým S-maxem je to ale hodně bída..
Je: Ford S-max II, 2.0 TDCi
Je: Ford B-max, 1.0 EB
Je: BMW i3, BEV 125 kW
Byl: Ford S-max I, 1.8 TDCi
Byl: Ford Focus III Combi FL, 1.5 EB
Byl: Ford Focus II Combi FL, 1.6i
Je: Ford B-max, 1.0 EB
Je: BMW i3, BEV 125 kW
Byl: Ford S-max I, 1.8 TDCi
Byl: Ford Focus III Combi FL, 1.5 EB
Byl: Ford Focus II Combi FL, 1.6i
- Adow
- Člen klubu

- Příspěvky: 6806
- Registrován: 20.05.2011 09:52
- Bydliště: Kousek od Brna
Re: BMS + start/stop
Dnešní podmínky:
-4°C, hodně vybitá baterie - auto už mělo trochu problém nastartovat
Před pokusem jsem do BCM nahrál As-Built data, zrušil jsem tedy všechny úpravy, co jsem tam měl a udělal jsem reset BMS.
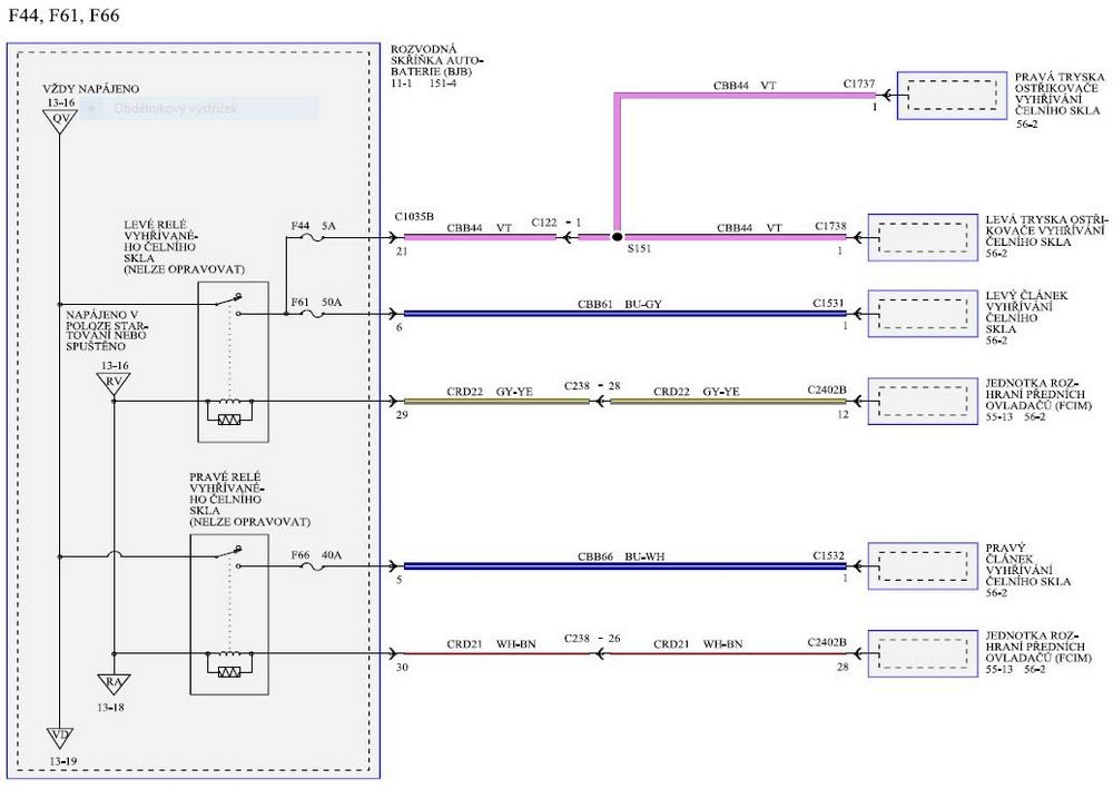
Nastartoval jsem, vypnul ventilátor a zapnul pouze výhřev skla. Po pár minutách se nic nedělo. Při změření napětí na pojistce výhřevu trysek F44, která je na stejném relé jako polovina skla a je dobře přístupná, je tam 0 - napětí tam není.
Zvýšil jsem otáčky (pomohla dlaždice
) a změřil to znovu. Stále bez napětí.
Nechám každopádně nabít baterii a zkusím to v této konfiguraci znovu.
-4°C, hodně vybitá baterie - auto už mělo trochu problém nastartovat
Před pokusem jsem do BCM nahrál As-Built data, zrušil jsem tedy všechny úpravy, co jsem tam měl a udělal jsem reset BMS.
Nastartoval jsem, vypnul ventilátor a zapnul pouze výhřev skla. Po pár minutách se nic nedělo. Při změření napětí na pojistce výhřevu trysek F44, která je na stejném relé jako polovina skla a je dobře přístupná, je tam 0 - napětí tam není.
Zvýšil jsem otáčky (pomohla dlaždice
Nechám každopádně nabít baterii a zkusím to v této konfiguraci znovu.
Je: Ford S-max II, 2.0 TDCi
Je: Ford B-max, 1.0 EB
Je: BMW i3, BEV 125 kW
Byl: Ford S-max I, 1.8 TDCi
Byl: Ford Focus III Combi FL, 1.5 EB
Byl: Ford Focus II Combi FL, 1.6i
Je: Ford B-max, 1.0 EB
Je: BMW i3, BEV 125 kW
Byl: Ford S-max I, 1.8 TDCi
Byl: Ford Focus III Combi FL, 1.5 EB
Byl: Ford Focus II Combi FL, 1.6i
- Adow
- Člen klubu

- Příspěvky: 6806
- Registrován: 20.05.2011 09:52
- Bydliště: Kousek od Brna
Re: BMS + start/stop
Dnes pokus s totožnými parametry nastavení, jen baterie byla nabitá.. Okno (hodně líně) vyhřívá, při volnoběhu na pojistce 14.6 V, při spuštění ventilátoru a dalších věcí to padá na 12 V. Po nastavení parametru
je na pojistce napětí také = vypnutý S/S. Nic dalšího jsem nezkoumal, protože mi chcípl NB
. Ještě dneska změřím, jestli tam jde napětí, když dám BMS do módu PWM.
Kód: Vybrat vše
BCM DE2F SlaveExists_BMS_Cfg ABSENTJe: Ford S-max II, 2.0 TDCi
Je: Ford B-max, 1.0 EB
Je: BMW i3, BEV 125 kW
Byl: Ford S-max I, 1.8 TDCi
Byl: Ford Focus III Combi FL, 1.5 EB
Byl: Ford Focus II Combi FL, 1.6i
Je: Ford B-max, 1.0 EB
Je: BMW i3, BEV 125 kW
Byl: Ford S-max I, 1.8 TDCi
Byl: Ford Focus III Combi FL, 1.5 EB
Byl: Ford Focus II Combi FL, 1.6i
- Ondrej1
- Junior

- Příspěvky: 276
- Registrován: 08.02.2010 11:27
- Bydliště: Praha
Re: BMS + start/stop
Jak se to chová, když zapneš vyhřívání tlačítkem výhřevu čelního skla s "MAX"?
Kdo je online
Uživatelé prohlížející si toto fórum: Žádní registrovaní uživatelé a 0 hostů




