zapojeni celniho vyhrivaneho okna mk.1 pred FL - interier
- vitut
- Člen klubu

- Příspěvky: 3024
- Registrován: 25.06.2008 13:03
- Bydliště: Milovice(NB), Štoky(HB)
- Kontaktovat uživatele:
zapojeni celniho vyhrivaneho okna mk.1 pred FL - interier
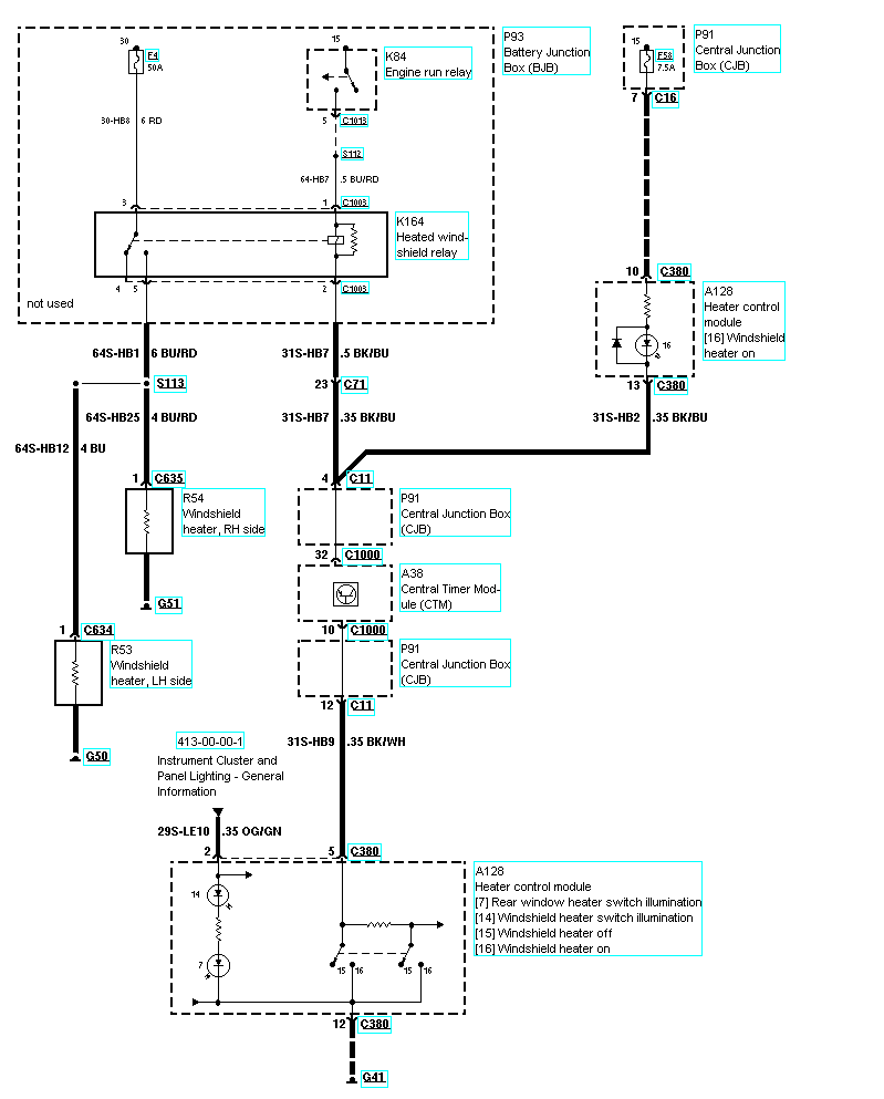
Prosim nekoho, kdo ma vhodna schemata - potrebuju zapojeni celniho vyhrivaneho okna u FoFo mk.1 pred FL (po FL mam), a to interierovou cast.
Spinani okna ridi jedno rele v motorovem prostoru (R3). Jeho civka ma na pin 2 (kostra) pripojeny cernomodry vodic pres C71, pin 23, do interieru. Uvnitr se to z cernomodreho vodice vetvi na cernozluty a cernomodry. Cernozluty jde do modulu topeni a klimatizace, konektor C380, pin 13. Mne jde o ten druhy, cernomodry vodic. U FL jde do GEMu, pred FL pujde do centralniho casovaciho modulu na pojistkovce u ridice. Potrebuju konektor a pin, kam se pripojuje.
Pak je tam jeste jeden vodic, cernobily, ktery po FL jde z GEMu zpatky na modul topeni, C380, pin 5. Tenhle vodic u pred FL pujde taky z casovaciho modulu, opet potrebuju z jakeho konektoru a pinu na pojistkovce.
Diky predem.
Spinani okna ridi jedno rele v motorovem prostoru (R3). Jeho civka ma na pin 2 (kostra) pripojeny cernomodry vodic pres C71, pin 23, do interieru. Uvnitr se to z cernomodreho vodice vetvi na cernozluty a cernomodry. Cernozluty jde do modulu topeni a klimatizace, konektor C380, pin 13. Mne jde o ten druhy, cernomodry vodic. U FL jde do GEMu, pred FL pujde do centralniho casovaciho modulu na pojistkovce u ridice. Potrebuju konektor a pin, kam se pripojuje.
Pak je tam jeste jeden vodic, cernobily, ktery po FL jde z GEMu zpatky na modul topeni, C380, pin 5. Tenhle vodic u pred FL pujde taky z casovaciho modulu, opet potrebuju z jakeho konektoru a pinu na pojistkovce.
Diky predem.
S-Max, 2.0 TDCi, 103 kW, 2009, modrá Blazer
FoFo1 combi, 2.0 16V, 127 kW, 2003, modrá Imperial
C-Max mk1, 1.8 16V, 88 kW, 2004
byl: FoFo1 combi, 1.8 TDCi, 85 kW, 2002, šedá

FoFo1 combi, 2.0 16V, 127 kW, 2003, modrá Imperial
C-Max mk1, 1.8 16V, 88 kW, 2004
byl: FoFo1 combi, 1.8 TDCi, 85 kW, 2002, šedá

-
xbobcz
- Junior

- Příspěvky: 260
- Registrován: 11.04.2011 21:16
- Bydliště: Brno
- vitut
- Člen klubu

- Příspěvky: 3024
- Registrován: 25.06.2008 13:03
- Bydliště: Milovice(NB), Štoky(HB)
- Kontaktovat uživatele:
Re: zapojeni celniho vyhrivaneho okna mk.1 pred FL - interier
Skvele, diky.
Takze C11, pin 4 a C11, pin 12.
Takze C11, pin 4 a C11, pin 12.
S-Max, 2.0 TDCi, 103 kW, 2009, modrá Blazer
FoFo1 combi, 2.0 16V, 127 kW, 2003, modrá Imperial
C-Max mk1, 1.8 16V, 88 kW, 2004
byl: FoFo1 combi, 1.8 TDCi, 85 kW, 2002, šedá

FoFo1 combi, 2.0 16V, 127 kW, 2003, modrá Imperial
C-Max mk1, 1.8 16V, 88 kW, 2004
byl: FoFo1 combi, 1.8 TDCi, 85 kW, 2002, šedá

-
18keeper18
- Nováček

- Příspěvky: 3
- Registrován: 04.11.2014 13:34
Re: zapojeni celniho vyhrivaneho okna mk.1 pred FL - interier
Mám dotaz na vyhřívání čelního skla u Fordu Focusu r. v. 2000, tím že jsem to kupoval v létě jsme nezjistil nefunčknost. Tak bych si nechal rád poradit co to může způsobovat. Při "zapnutí" se rozsvítí , ale nevyhřívá. Ani to nespíná jak u zadního, typuju že je to přes nějaký relé které by to mělo spínat... můžete mi poradit?
- Stehnak
- Test driver

- Příspěvky: 2236
- Registrován: 02.02.2008 03:18
- Bydliště: Modřice@JM@CZ
Re: zapojeni celniho vyhrivaneho okna mk.1 pred FL - interier
Rele pro celni sklo je v motorovym prostoru. Vyhrivani poznas ze pri zapnuti na moment zakolisaji otacky a pohasnou svetlomety.
Příčiny?
- zkorodovane / nepripojene konektory u celniho okna (najit = funkce hledat tu na fóru pomůže "kde hledat", rozpojit konektory, očistit piny)
- nefunkcni rele (pujcut si od nekoho - nové 800,- u Fordu a odzkouset)
- okno v háji (minimalne jedna pulky by ale mohla jit)
- problem v elektroinstalaci po nejakem neodbornem zasahu (auto-elektrikar by odhalil)
M.
Příčiny?
- zkorodovane / nepripojene konektory u celniho okna (najit = funkce hledat tu na fóru pomůže "kde hledat", rozpojit konektory, očistit piny)
- nefunkcni rele (pujcut si od nekoho - nové 800,- u Fordu a odzkouset)
- okno v háji (minimalne jedna pulky by ale mohla jit)
- problem v elektroinstalaci po nejakem neodbornem zasahu (auto-elektrikar by odhalil)
M.
Kia Stinger 3.3 V6 T-GDI AWD 2019 / Nissan Leaf 24 -> 40 kWh 2012 / byly Ford Mondeo ST 220 2006; Ford Focus 1.6 16V 1999
- vitut
- Člen klubu

- Příspěvky: 3024
- Registrován: 25.06.2008 13:03
- Bydliště: Milovice(NB), Štoky(HB)
- Kontaktovat uživatele:
Re: zapojeni celniho vyhrivaneho okna mk.1 pred FL - interier
A co ta pojistka F58? Podle popisu (nesviti ani jedno vyhrivani okna) to spis vypada na problem bud s pojistkou, s panelem ovladani, nebo s casovacim modulem na pojistkovce ...
S-Max, 2.0 TDCi, 103 kW, 2009, modrá Blazer
FoFo1 combi, 2.0 16V, 127 kW, 2003, modrá Imperial
C-Max mk1, 1.8 16V, 88 kW, 2004
byl: FoFo1 combi, 1.8 TDCi, 85 kW, 2002, šedá

FoFo1 combi, 2.0 16V, 127 kW, 2003, modrá Imperial
C-Max mk1, 1.8 16V, 88 kW, 2004
byl: FoFo1 combi, 1.8 TDCi, 85 kW, 2002, šedá

- Stehnak
- Test driver

- Příspěvky: 2236
- Registrován: 02.02.2008 03:18
- Bydliště: Modřice@JM@CZ
Re: zapojeni celniho vyhrivaneho okna mk.1 pred FL - interier
Pravda na pojistky jsem zapomnel...
F58 (7,5 A) bude OK, kdyz pise ze se mu vyhrivani rozsviti (pocitam ze tim myslel LEDka na tlacitku. A128 pozice 16).
Urcite ale zkotrolovat pojistku F4 (50A). Pokud je tato prepalena, doporucuji projit/promerit elektroistalaci pred tim nez tam narvu novou. Pojistky totiz vetsinou nepraskaji "jen tak pro nic za nic".
Central timer module: zase, je pres nej (minus pol) napajena i LEDka takze bude sepnutej.
F58 (7,5 A) bude OK, kdyz pise ze se mu vyhrivani rozsviti (pocitam ze tim myslel LEDka na tlacitku. A128 pozice 16).
Urcite ale zkotrolovat pojistku F4 (50A). Pokud je tato prepalena, doporucuji projit/promerit elektroistalaci pred tim nez tam narvu novou. Pojistky totiz vetsinou nepraskaji "jen tak pro nic za nic".
Central timer module: zase, je pres nej (minus pol) napajena i LEDka takze bude sepnutej.
Kia Stinger 3.3 V6 T-GDI AWD 2019 / Nissan Leaf 24 -> 40 kWh 2012 / byly Ford Mondeo ST 220 2006; Ford Focus 1.6 16V 1999
- vitut
- Člen klubu

- Příspěvky: 3024
- Registrován: 25.06.2008 13:03
- Bydliště: Milovice(NB), Štoky(HB)
- Kontaktovat uživatele:
Re: zapojeni celniho vyhrivaneho okna mk.1 pred FL - interier
Spatne ctu - takze kontrolky sviti. OK, pak je asi casovac v poradku, spinace taky. Na druhou stranu kazde okno ma svoje rele a svuj obvod. Zase by bylo divne, ze nejdou obe najednou. Idealni by bylo dojit az k napajecim konektorum oken a zmerit pritomnost napeti po zmacknuti tlacitka ...
S-Max, 2.0 TDCi, 103 kW, 2009, modrá Blazer
FoFo1 combi, 2.0 16V, 127 kW, 2003, modrá Imperial
C-Max mk1, 1.8 16V, 88 kW, 2004
byl: FoFo1 combi, 1.8 TDCi, 85 kW, 2002, šedá

FoFo1 combi, 2.0 16V, 127 kW, 2003, modrá Imperial
C-Max mk1, 1.8 16V, 88 kW, 2004
byl: FoFo1 combi, 1.8 TDCi, 85 kW, 2002, šedá

-
I__C__E
- Nováček

- Příspěvky: 125
- Registrován: 01.05.2010 23:07
Re: zapojeni celniho vyhrivaneho okna mk.1 pred FL - interier
Ahoj všem,má FF 2003 (po faceliftu), můj problém spočívá v tom, že se mi nerožne ani tlačítko (vyhřívání zadního okna svítí)..koupil jsem auto s vyhřevem,ale původní majitel tam měl obyč...přehodil jsem za vyhřívané..a nic....pojitka ok, relé ok....
- ZaQik
- Admin

- Příspěvky: 25200
- Registrován: 30.05.2010 17:33
- Bydliště: exit 82 na D0
Re: zapojeni celniho vyhrivaneho okna mk.1 pred FL - interier
a GEM je puvodni? mozna v nem chybi povolena funkcionalita
Ford Focus mk3 combi 1.6 Ti-VCT, r.v.2018 + Ford Fiesta mk7 3D 1.25, r.v.2014
byl Ford Focus mk2 combi 1.6, r.v.2009 + Ford Fiesta mk6 1.4 TDCi r.v. 2004
Nejsem poradna, encyklopedie ani hotline spolecnosti Ford - ptejte se na foru, od toho je.
byl Ford Focus mk2 combi 1.6, r.v.2009 + Ford Fiesta mk6 1.4 TDCi r.v. 2004
Nejsem poradna, encyklopedie ani hotline spolecnosti Ford - ptejte se na foru, od toho je.
-
I__C__E
- Nováček

- Příspěvky: 125
- Registrován: 01.05.2010 23:07
Re: zapojeni celniho vyhrivaneho okna mk.1 pred FL - interier
předppokládám, že ano,ale koupil jsem ojeté auto...
-
I__C__E
- Nováček

- Příspěvky: 125
- Registrován: 01.05.2010 23:07
Re: zapojeni celniho vyhrivaneho okna mk.1 pred FL - interier
GEM je pojistkovka v motoru?
- ZaQik
- Admin

- Příspěvky: 25200
- Registrován: 30.05.2010 17:33
- Bydliště: exit 82 na D0
Re: zapojeni celniho vyhrivaneho okna mk.1 pred FL - interier
GEM je jednotka komfortu v nohach spolujezdce
Ford Focus mk3 combi 1.6 Ti-VCT, r.v.2018 + Ford Fiesta mk7 3D 1.25, r.v.2014
byl Ford Focus mk2 combi 1.6, r.v.2009 + Ford Fiesta mk6 1.4 TDCi r.v. 2004
Nejsem poradna, encyklopedie ani hotline spolecnosti Ford - ptejte se na foru, od toho je.
byl Ford Focus mk2 combi 1.6, r.v.2009 + Ford Fiesta mk6 1.4 TDCi r.v. 2004
Nejsem poradna, encyklopedie ani hotline spolecnosti Ford - ptejte se na foru, od toho je.
-
I__C__E
- Nováček

- Příspěvky: 125
- Registrován: 01.05.2010 23:07
- ZaQik
- Admin

- Příspěvky: 25200
- Registrován: 30.05.2010 17:33
- Bydliště: exit 82 na D0
Re: zapojeni celniho vyhrivaneho okna mk.1 pred FL - interier
mk1 poFL ano (neni to pojistkovka!!)
Ford Focus mk3 combi 1.6 Ti-VCT, r.v.2018 + Ford Fiesta mk7 3D 1.25, r.v.2014
byl Ford Focus mk2 combi 1.6, r.v.2009 + Ford Fiesta mk6 1.4 TDCi r.v. 2004
Nejsem poradna, encyklopedie ani hotline spolecnosti Ford - ptejte se na foru, od toho je.
byl Ford Focus mk2 combi 1.6, r.v.2009 + Ford Fiesta mk6 1.4 TDCi r.v. 2004
Nejsem poradna, encyklopedie ani hotline spolecnosti Ford - ptejte se na foru, od toho je.
Kdo je online
Uživatelé prohlížející si toto fórum: Žádní registrovaní uživatelé a 0 hostů

